| Поз. | Номенклатурный номер | Наименование детали | Кол-во |
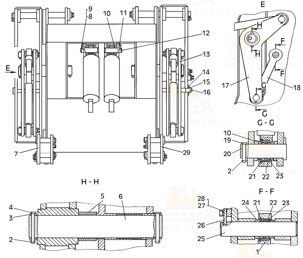
| 1 | 50-50-225СП Гидроцилиндр | 2 | |
| 1 | 50-50-185СП Гидроцилиндр | 2 | |
| 2 | 71-53-178СП Тяга | 2 | |
| 3 | 71-53-128СП Рычаг | 1 | |
| 4 | 71-53-172СП Рама | 1 | |
| 5 | 71-53-216СП Груз | 4 | |
| 6 | 71-53-188-01 Ось | 2 | |
| 7 | 71-53-186 Втулка | 6 | |
| 8 | – | Болт М16-8gх30.58.019 | 20 |
| 9 | – | Шайба 16 ОТ 65Г09 | 12 |
| 10 | 71-53-305 Планка | 10 | |
| 11 | 71-53-187 Ось | 4 | |
| 11 | 71-53-187-01 Ось | 2 | |
| 12 | 71-53-177СП Тяга | 2 | |
| 13 | 80-52-127 Кольцо | 2 | |
| 14 | 80-52-128 Втулка | 2 | |
| 15 | 700-58-2533 Кольцо стопорное | 2 | |
| 16 | 71-53-11 Ось | 2 | |
| Поз. | Номенклатурный номер | Наименование детали | Кол-во |
| 1 | 71-53-177-01СП Тяга | 2 | |
| 2 | 4x32.019 | Шплинт | 8 |
| 3 | 71-53-117 Кольцо | 2 | |
| 4 | 71-53-113 Палец | 4 | |
| 5 | 71-53-190 Втулка | 2 | |
| 6 | 71-53-194 Ось | 2 | |
| 7 | 71-53-171СП Кронштейн | 1 | |
| 8 | – | Болт М10-6gх22.58.019 | 4 |
| 9 | – | Шайба 10 ОТ 65Г 09 | 4 |
| 10 | 50-50-302 Кольцо | 4 | |
| 11 | 71-53-174 Пластина | 2 | |
| 12 | 71-53-187-01 Ось | 2 | |
| 13 | 71-53-173СП Коромысло | 1 | |
| 14 | 71-53-286 Бонка | 1 | |
| 15 | – | Шплинт 8x80.019 | 1 |
| 16 | 71-53-169СП Стяжка | 1 | |
| 17 | 71-53-170СП Коромысло | 1 | |
| 18 | 71-53-178-01СП Тяга | 1 | |
| 19 | 71-53-116 Палец | 4 | |
| 20 | 71-53-118 Палец | 4 | |
| 21 | 700-58-2533 Кольцо стопорное | 2 | |
| 22 | 80-52-127 Кольцо | 2 | |
| 23 | 80-52-128 Втулка | 2 | |
| 24 | 71-53-191-01 Кольцо | 4 | |
| 25 | 71-53-188 Ось | 2 | |
| 26 | 71-53-305 Планка | 10 | |
| 27 | – | Болт М16-8gх30.58.019 | 20 |
| 28 | – | Шайба 16 ОТ 65Г 09 | 20 |
| 29 | 71-53-176СП Кронштейн | 1 | |
