| # | Номенклатурный номер | Наименование детали | Кол-во |
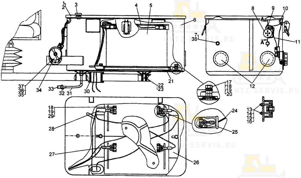
| 1 | 50-10-400СП Крышка | 1 | |
| 2 | 700-40-7065 Уплотнение | 1 | |
| 3 | 700-40-5565 Пистон | 1 | |
| 4 | 700-40-9029 Пластина | 1 | |
| 5 | - | Батарея 6СТ-75 | 2 |
| 6 | 50-10-431СП Контейнер | 1 | |
| 7 | 700-42-2300 Пистон | 2 | |
| 8 | - | Розетка штепсельная 47К | 1 |
| 9 | 50-10-421СП Провод | 1 | |
| 10 | 700-40-7419 Втулка | 1 | |
| 11 | 21-10-213СП Провод | 1 | |
| 12 | 700-40-2692 Колпачок | 4 | |
| 13 | - | Винт B2.M3-6gx25.58.019 | 2 |
| 14 | - | Гайка М3-6Н.6.016 | 2 |
| 15 | - | Шайба 3Т 65Г 09 | 2 |
| 16 | 31311-1 Шайба | 2 | |
| 17 | - | Болт M8-6gx30.88.35.019 | 2 |
| 18 | - | Гайка М8.6.019 | 6 |
| 19 | - | Шайба 8Т 65Г 09 | 6 |
| 20 | 31386 Шайба | 6 | |
| 21 | 700-40-7043 Прокладка | 1 | |
| 22 | - | Болт M12-6gx30.58.019 | 4 |
| 23 | - | Шайба 12 ОТ 65Г 09 | 4 |
| 24 | 50-10-456СП Провод 271 | 1 | |
| 25 | 700-40-6823 Колпачок | 1 | |
| 26 | 64-10-185 Планка | 2 | |
| 27 | 24-10-463СП Провод | 1 | |
| 28 | 50-10-305-1СП Провод 322/319 | 1 | |
| 29 | 2848 Болт | 6 | |
| 30 | 700-40-3140 Втулка | 1 | |
| 31 | 700-46-2226-01 Шланг | 1 | |
| 32 | 50-10-96 Трубка | 2 | |
| 33 | 41181 Ниппель | 2 | |
| 34 | - | Выключатель «массы» ВК-318Б У | 1 |
| 35 | - | Болт М6х16.88.35.019 | 3 |
| 36 | - | Шайба 6Т 65Г 09 | 3 |
| 37 | - | Гайка М6-7Н.6.019 | 3 |
| 38 | 31308-1 Шайба | 2 | |
| 1 Для экспорта. 2 Для тропиков. | |||
