Снятие масляного насоса коробки передач Т-170
Слейте масло из коробки передач 50-12-12сп. Отсоедините отводящий маслопровод.
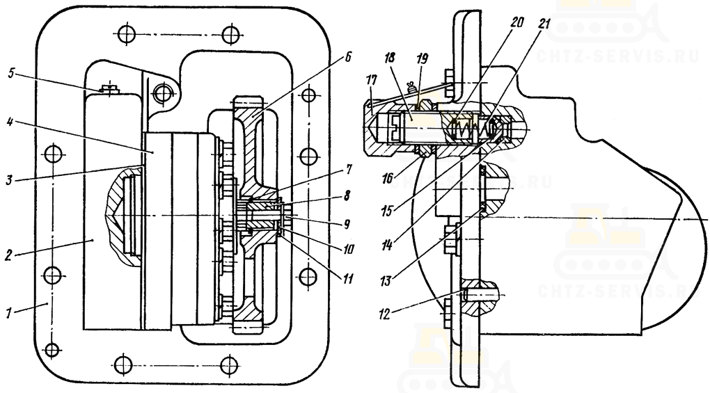
Отверните восемь болтов крепления фланца 2 ( рис. 214 ) масляного насоса к корпусу коробки передач и выньте масляный насос вместе с маслоприемником из корпуса. Отверните болты, крепящие маслоприемник, и снимите его.
Разборка масляного насоса коробки передач Т-170
Расстопорите, выверните болт 9 из вала насоса и снимите шестерню 6 с вала 8. Снимите упорное кольцо 7. Выверните болты крепления корпуса 2 к насосу 4 и снимите корпус. Выверните четыре болта 3 ( рис. 216 ) крепления крышек насоса и разъедините крышки 1 и 4 с корпусом. Отметьте взаимное положение шестерни 10 и крышки 1 для того, чтобы при сборке установить в прежнее положение. Снимите шестерни. Выпрессуйте ось 5 ведомой шестерни из нижней крышки 1. Выпрессуйте, при необходимости, ступенчатой оправкой втулки 6 и 9.
Технические требования на масляный насос коробки передач
- Не собирайте насос, ударяя по корпусу шестерен.
- Детали насоса не раскомплектовывайте.
- Торцы ведомой и ведущей шестерен не должны утопать в корпусе шестерен более 0,16 мм. Диаметральный зазор между корпусом шестерен и вершиной зуба должен быть не более 0,15 мм. Заклинивание и заедание шестерен при проворачивании не допускается.
- Редукционный клапан должен быть притерт к гнезду 14 ( см. рис. 215 ) корпуса насоса. После притирки на торцовой поверхности клапана должна быть кольцевая матовая полоса.
- Валик собранного насоса до заполнения его маслом должен легко и свободно, без заеданий, проворачиваться от усилия руки при вращении за шестерню привода.
Сборка масляного насоса коробки передач Т-170
Запрессуйте в нижнюю крышку 4 ( см. рис. 216 ) ось 5 ведомой шестерни 10 и наденьте на ось 5 шестерню 10 с втулкой 6. Установите ведущую шестерню 7 во втулку 9 нижней крышки 4 шлицевым валом наружу. Накройте шестерни корпусом насоса 2, а затем верхней крышкой 1 и запрессуйте два штифта 8 в корпус. Соедините узел болтами 3 с пружинными шайбами, вверните их со стороны верхней крышки 1.
Положите на корпус 2 ( см. рис. 215 ) прокладку 3 и установите в отверстие корпуса насос 4 на штифты 12. Закрепите насос на корпусе болтами с шайбами. Установите упорное кольцо 7 в канавку валика 8 насоса и посадите на валик насоса последовательно шестерню 6, шайбу 10, стопорную шайбу 11 и вверните болт 9 в валик. Болт зафиксируйте стопорной шайбой 11. Вставьте в отверстие корпуса 2 кольцо 13 и установите на корпус фланец 1.
Закрепите фланец болтами с медными шайбами. Установите в отверстие корпуса 2 клапан 15. Установите последовательно шайбу, пружину 21, шайбу 20. Вверните в отверстие фланца стержень 18 с гайкой 16 и прокладками 19. Вверните пробку 5.
Отрегулируйте насос на стенде на давление 750...850 кПа (7,5...8,5 кгс/см²) вращением стержня 18. При давлении в системе 500 кПа (5 кгс/см²) и частоте вращения вала насоса 1050 мин-1 производительность насоса должна быть не менее 22 л/мин.
По окончании регулирования стержень 18 законтрите гайкой 16 и наверните на него глухую гайку 17. Гайку застопорите проволокой.
Испытывайте насос на масле И-12А, подогретом до (300±10) К [ (30±10) °С], или моторном масле М8В, подогретом до 323...343 К (50...70 °С).
Установка масляного насоса коробки передач Т-170
Присоедините к насосу маслоприемник 4 ( см. рис. 214 ). Смажьте прокладку лаком «Герметик», положите ее на фланец, вставьте насос в люк корпуса 1 коробки передач на штифты 3 и прикрепите насос за фланец к корпусу. Присоедините отводящий маслопровод.
