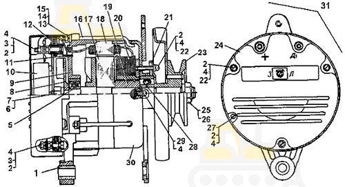
| Поз. | Номенклатурный номер | Наименование детали | Кол-во |
| 1 | - | Втулка 46.3701 081 | - |
| 2 | - | Шайба 5.01.016 | - |
| 3 | - | Гайка М5-6Н.5.016 | - |
| 4 | - | Шайба 5Л 65Г 06 | - |
| 5 | - | Шарикоподшипник 6-180502К1С9 | - |
| 6 | - | Гайка М12-6Н.04А.019 | - |
| 7 | - | Шайба 12Л 65Г 06 | - |
| 8 | - | Вентилятор 69.3701 003 | - |
| 9 | - | Крышка задняя 69.3701 300 | - |
| 10 | - | Регулятор напряжения 2412.3702 | - |
| 11 | - | Изолятор 69.3701 021 | - |
| 12 | - | Блок выпрямителя БПВ 41-100-02 | - |
| 13 | - | Шайба 6.01.016 | - |
| 14 | - | Гайка М6-6Н.5.016 | - |
| 15 | - | Шайба 6Л 65Г 06 | - |
| 16 | - | Болт стяжной 69.3701 080 | - |
| 17 | - | Ротор 69.3701 200 | - |
| 18 | - | Статор 70.3701 100 | - |
| 19 | - | Втулка 69.3701 005 | - |
| 20 | - | Катушка возбуждения 69.3701 060 | - |
| 21 | - | Крышка подшипника 46.3701 007 | - |
| 22 | - | Винт В.М5-6gх26.48.016 | - |
| 23 | - | Шкив с вентилятором 70.3701 050 | - |
| 24 | - | Крышка регулирующего устройства 70.3701 001 | - |
| 25 | - | Гайка М16х1,5-6Н.04А-019 | - |
| 26 | - | Шайба 16Л 65Г 06 | - |
| 27 | - | Винт В.М5-6gх14,5.48.016 | - |
| 28 | - | Шарикоподшипник 6-180603К4С9 | - |
| 29 | - | Винт В.М5-6gх10,5.48.016 | - |
| 30 | - | Крышка передняя 69.3701 400 | - |
| 31 | - | Генератор 7006.3701 000 | - |
