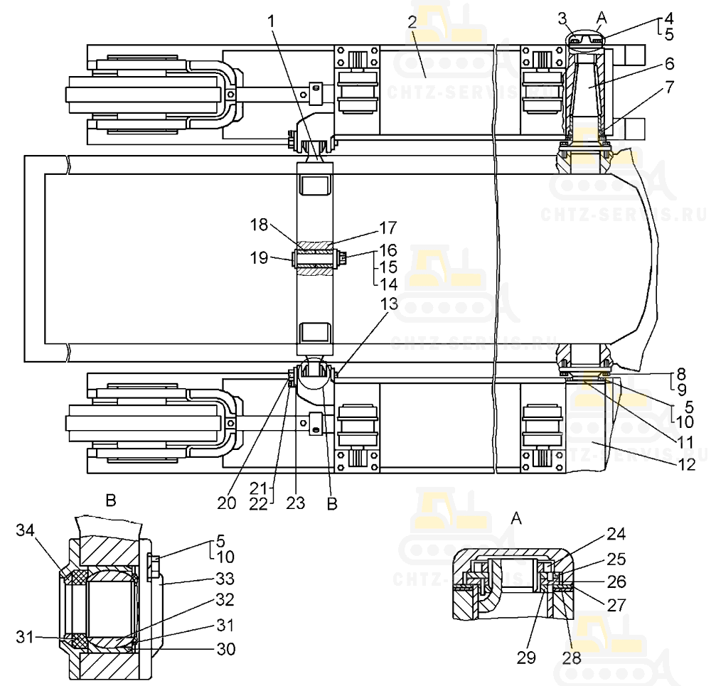
| Поз. | Номенклатурный номер | Наименование детали | Кол-во |
| 1 | 64-20-105-01СП | Установка балки | 1 |
| 2 | 48-21-16СП Тележка правая | 1 | |
| 3 | 60-19-9-01 Крышка | 2 | |
| 4 | 28648 Болт | 8 | |
| 5 | – | Шайба 12 ОТ 65Г 09 | 32 |
| 6 | 64-20-15-01 Полуось | 2 | |
| 7 | 700-42-2724-01 Кольцо | 2 | |
| 8 | – | Болт М24-8g×75.88.45.019 | 28 |
| 9 | – | Шайба 24 Т 65Г 09 | 20 |
| 10 | – | Болт М12×25.58.019 | 24 |
| 11 | 64-20-16 Крышка | 2 | |
| 12 | 48-21-15СП Тележка левая | 1 | |
| 13 | 64-20-12 Палец | 2 | |
| 14 | 700-31-2613 Шайба | 1 | |
| 15 | 700-30-2352 Гайка | 1 | |
| 16 | – | Шплинт 8×80 | 1 |
| 17 | 64-20-106-01СП Балка | 1 | |
| 18 | 20733 Втулка | 2 | |
| 19 | 64-20-13 Палец | 1 | |
| 20 | 700-30-2275 Гайка | 2 | |
| 21 | – | Болт М10-6g×25.58.019 | 4 |
| 22 | – | Шайба 10 ОТ 65Г 09 | 4 |
| 23 | 64-20-14 Стопор | 2 | |
| 24 | 19457-01 Гайка | 2 | |
| 25 | 60-19-103СП Стопор | 2 | |
| 26 | 60-19-104СП Фиксатор | 2 | |
| 27 | 15-19-30 Прокладка | 4 | |
| 28 | 700-40-2165 Прокладка | 2 | |
| 29 | 19458 Прокладка | 16 | |
| 30 | 64-20-8 Обойма | 2 | |
| 31 | 700-42-2873 Сальник | 8 | |
| 32 | 64-20-9 Шарнир | 2 | |
| 33 | 64-20-19 Крышка | 4 | |
| 34 | 64-20-10 Кольцо | 4 | |
