| Поз. | Номенклатурный номер | Наименование детали | Кол. |
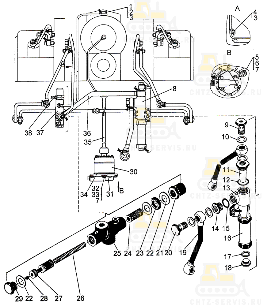
| 1 | 748-60-242СП Труба | 1 | |
| 2 | 700-28-2457 Болт поворотного угольника | 2 | |
| 3 | - | Кольцо 12×16 | 8 |
| 4 | - | Проволока КО 1,6 | 5,6 M |
| 5 | 700-55-49 Болт | 1 | |
| 6 | 749-60-101СП Труба | 1 | |
| 7 | 748-60-145СП Трубопровод | 1 | |
| 8 | 748-60-154СП Труба | 1 | |
| 9 | 748-60-236СП Труба | 1 | |
| 10 | 749-60-104СП Труба | 1 | |
| 11 | 749-60-103СП Труба | 1 | |
| 12 | 700-28-911 Болт | 10 | |
| 13 | - | Шайба 10.02 | 10 |
| 14 | 700-37-128 Пробка | 1 | |
| 15 | - | Шайба 6.01.019 | 3 |
| 16 | 700-38-804 Пружина | 1 | |
| 17 | - | Шарик Б16-100 | 1 |
| 18 | 748-60-185 Болт | - | |
| 19 | 748-60-199СП Трубопровод | 1 | |
| 20 | 749-60-105СП Труба | 1 | |
| 21 | 700-40-7415 Кольцо | 1 | |
| 22 | 749-60-102СП Труба | 1 | |
| 23 | 748-60-238СП Труба | 1 | |
| 24 | - | Кольцо 33×39 | 2 |
| 25 | 700-30-316 Гайка | 1 | |
| 26 | 748-60-153СП Труба | 1 | |
| 27 | 748-60-269СП Труба | 1 | |
| 28 | 748-60-130 Штуцер | 22 | |
| 29 | - | Кольцо 20×26 | 44 |
| 30 | 748-60-148СП Труба | 1 | |
