Снятие бортовых фрикционов Т-170
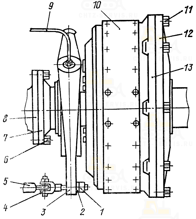
Снимите кабину, топливный бак 50-25-180сп трактора. Выверните болты и снимите крышки верхних и задних люков корпуса бортовых фрикционов. Отсоедините от двуплечих рычагов тяги тормоза. Отверните регулировочные гайки с вилок тормозных лент и снимите двуплечие рычаги с вилками с кронштейнов. Выверните технологическую пробку 1 ( рис. 229 ) из корпуса бортовых фрикционов.
Отсоедините трубку 9 ( рис. 230 ) подвода смазки к рычагам 3 бортовых фрикционов 24-16-102сп. Отверните контргайку 1 и шаровую гайку 2. Отсоедините вилку 4 от рычага 5, отверните болты 6, прикрепляющие фланец полуоси 7 к фланцу 8 вала конической шестерни. Отверните торцовым ключом болты 11, крепящие наружный барабан 13 к ведущему фланцу 12, через отверстие в корпусе бортовых фрикционов, из которого была вывернута пробка 1 ( см. рис. 229 ).
Отверните болты 6 и 11 ( см. рис. 230 ), за исключением одного с каждой стороны бортового фрикциона. При этом широкий паз 25 ( см. рис. 232 ) на торце внутреннего барабана 24 должен находиться в нижнем положении для того, чтобы при снятии бортового фрикциона через этот паз прошла пробка крепления фланца ведущей шестерни бортового редуктора.
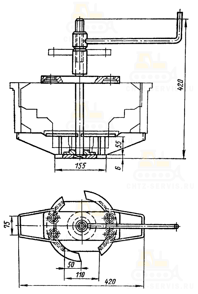
Захватите бортовой фрикцион приспособлением ( рис. 231 ) и подвесьте на подъемнике. Масса одного бортового фрикциона 125 кг. Выверните оставшиеся два болта 6 и 11 ( см. рис. 230 ). Снимите бортовой фрикцион с трактора.
Разборка бортовых фрикционов Т-170
Снимите с наружного барабана 28-16-15 тормозную ленту. Нанесите на наружный и внутренний барабаны одноименную маркировку, чтобы при сборке установить их в один бортовой фрикцион.
Снимите наружный барабан 1 ( рис. 232 ). Отогните концы стопорных шайб 7 и выверните соединительные пальцы 6 и 16. Снимите рычаг 15.
Отогните концы стопорной шайбы 23 и выверните пробку 22 ( рис. 232 и 233 ).
Нанесите метки на торец ступицы внутреннего барабана 24 и полуоси 10 для того, чтобы при сборке установить полуось в прежнее положение. Выпрессуйте полуось 24-16-4 из внутреннего барабана (после окончательной разборки установите полуось по меткам во внутренний барабан во избежание разукомплектовки пары).
Установите на бортовой фрикцион приспособление ( рис. 234 ) и сожмите пружины. Выньте из выточек пальцев 19 ( см. рис. 232 ) сухари 20. Медленно поднимите шток приспособления до полного разжатия пружин 17 и 21, снимите тарелки 18 и пружины. Установите бортовой фрикцион на торец внутреннего барабана 24 и снимите нажимную тарелку 4, кольцо 5 и диски 2 и 5 с наружными и внутренними зубьями. Снимите замковое кольцо 12, отверните гайку 11 с нажимной тарелки и спрессуйте корпус 14 упорного подшипника 8 с подшипником в сборе с нажимной тарелки. Снимите замковое кольцо 9 и отражатель 13. Выпрессуйте упорный подшипник из корпуса стержнем диаметром 5 мм через два отверстия в корпусе.
Технические требования бортовых фрикционов Т-170
- Гайка корпуса 28-16-11 нажимного подшипника должна быть затянута до отказа и застопорена пружинным кольцом. При несовпадении отверстия гайки с отверстием в ступице нажимной тарелки просверлите новое отверстие диаметром 5+0,3 мм в ступице через отверстие в гайке.
- Нормальный диаметр полуоси бортового фрикциона 85±0,207 мм. Нормальный диаметр нажимной тарелки 85+0,070 мм. Допустимый зазор между полуосью и тарелкой 0,6 мм. Предельный зазор 1 мм.
- Допустимый боковой зазор в шлицах соединения внутреннего барабана и полуоси 1,17 мм, предельный зазор 1,92 мм.
- Нормальный диаметр наконечника рычага 16202 включения 35±0,340 мм и нормальный диаметр втулки 35+0,250 мм. Допустимый зазор между наконечниками и втулкой 1,15 мм. Предельный зазор 1,5 мм.
Сборка бортовых фрикционов Т-170
Посадите в корпус 14 ( см. рис. 232 ) с помощью оправки упорный шарикоподшипник 8 до упора в торец корпуса так, чтобы наружное кольцо подшипника с меньшим внутренним диаметром было обращено в сторону нажимной тарелки.
Проверьте рукой легкость вращения внутреннего кольца подшипника. Кольцо должно вращаться легко, без заеданий. Поставьте в отверстие корпуса отражатель 13 и закрепите его замковым кольцом 9. Запрессуйте в рычаг 15 с помощью оправки седло 26 шаровой гайки. Наденьте наконечник на рычаг 15 и конец расклепайте.
Протрите посадочные места на шейке нажимной тарелки 4. Нагрейте в масляной ванне корпус 14 с упорным шарикоподшипником до 363 К (90 °С) и посадите шарикоподшипник с корпусом на шейку нажимной тарелки до упора в бурт. Установите нажимную тарелку в приспособление, наверните специальным ключом и затяните до отказа гайку 11. Установите стопорное кольцо 12. Проверьте легкость вращения корпуса на подшипнике. Корпус должен вращаться легко, без заеданий. Выньте полуось 10 из барабана. Протрите полуось и посадочное отверстие в нажимной тарелке 4. Заполните полость В графитовой смазкой УСсА. Вставьте полуось в отверстие тарелки. Нагрейте в масляной ванне до 363 К (90 °С) кольцо 5 и напрессуйте его на полуось до упора в бурт. Отложите собранный комплект и дайте, остыть кольцу. Установите внутренний барабан 24 на верстак. Протрите и продуйте зубцы барабана 24 и наденьте на них поочередно десять дисков 2 с наружными зубьями и десять дисков 3 с внутренними зубьями. Наденьте на шлицы полуоси 10 внутренний барабан 24. Не запрессовывая полуось, установите восемь пальцев 19. Запрессуйте полуось во внутренний барабан. Переверните барабан с дисками и нажимной тарелкой и установите его под пресс на торец корпуса упорного подшипника. Выравняйте зубцы дисков с наружными зубьями специальной линейкой или наружным барабаном, наденьте на пальцы 19 внутренние пружины 21 и наружные пружины 17 и наложите на пружины тарелки 18. Установите на барабан приспособление ( см. рис. 234 ) и сожмите пружины. Проверьте толщину пакета дисков между плоскостями внутреннего барабана 24 ( см. рис. 232 ) и нажимной тарелкой 4, сжатого пружиной. Толщина пакета должна быть в пределах 96мм. При меньшей толщине пакета добавьте один диск с внутренними зубьями и установите его со стороны нажимной тарелки. Вложите сухари 20 в выточки пальцев 19 и выверните шток приспособления, при этом сухари должны войти в тарелки. Переверните барабан, установите его в приспособление на фланец полуоси. Установите шайбу 23 и закрепите полуось на барабане пробкой 22, как показано на рис. 233. Отогните концы шайбы на пробку и на внутренний барабан.
Переверните барабан и наденьте рычаг 15 ( см. рис. 232 ) в сборе на бобышки корпуса, 14 упорного подшипника (седлом шаровой гайки, обращенной к внутреннему барабану) и закрепите его на корпусе пальцами 6 и 16 со стопорными шайбами 7. Пальцы затяните до отказа и законтрите, отогнув концы стопорных шайб на головку пальца и рычаг.
Протрите и продуйте зубья наружного барабана 1 и наденьте-наружный барабан на диски, собранные с внутренним барабаном и нажимной тарелкой.
Установка бортовых фрикционов Т-170
Наденьте на бортовой фрикцион тормозную ленту 18360-01сп 10 ( см. рис. 230 ). Захватите бортовой фрикцион приспособлением ( см. рис. 231 ) так, чтобы широкий паз 25 ( см. рис. 232 ) внутреннего барабана был обращен вниз. Опустите в корпус бортовой фрикцион так, чтобы пробка крепления фланца ведущей шестерни бортового редуктора прошла через широкий паз внутреннего барабана. Заведите конец рычага 3 (см. рис. 230) с наконечником в гнездо корпуса бортовых фрикционов. Вставьте в два верхних отверстия фланца 7 два болта 6 с замковой пластиной. Совместите отверстия фланца 7 с резьбовыми отверстиями фланца 8 и закрепите двумя болтами 6. Отсоедините подъемное приспособление, и проворачивая бортовой фрикцион, заверните остальные болты 6. Отогните края пластин на грани головок болтов. Совместите отверстия ведущего фланца 12 с резьбовыми отверстиями наружного барабана 13 и закрепите восемью болтами 11 с пружинными шайбами. Момент затяжки болтов 100...120 Н-м (10...12 кгс-м). Заворачивайте болты 11 через отверстие в корпусе бортовых фрикционов, из которого была вывернута технологическая пробка. Проверьте индикатором биение наружного барабана. Биение не должно быть более 0,8 мм. Заведите вилку 4 в отверстие рычага 3 и соедините вилку с рычагом 5 болтом с гайкой. Гайку зашплинтуйте. Наверните шаровую гайку 2 и контргайку 1. Подсоедините трубку 9 подвода смазки. Присоедините тормозную ленту к двуплечему рычагу. Вверните пробку 1 ( см. рис. 229 ). Присоедините тяги тормоза. Установите крышки люков корпуса бортовых фрикционов. Установите топливный бак и кабину.
