| Поз. | Номенклатурный номер | Наименование детали | Кол-во |
| - | 64-21-209СП Каток поддерживающий | 1 | |
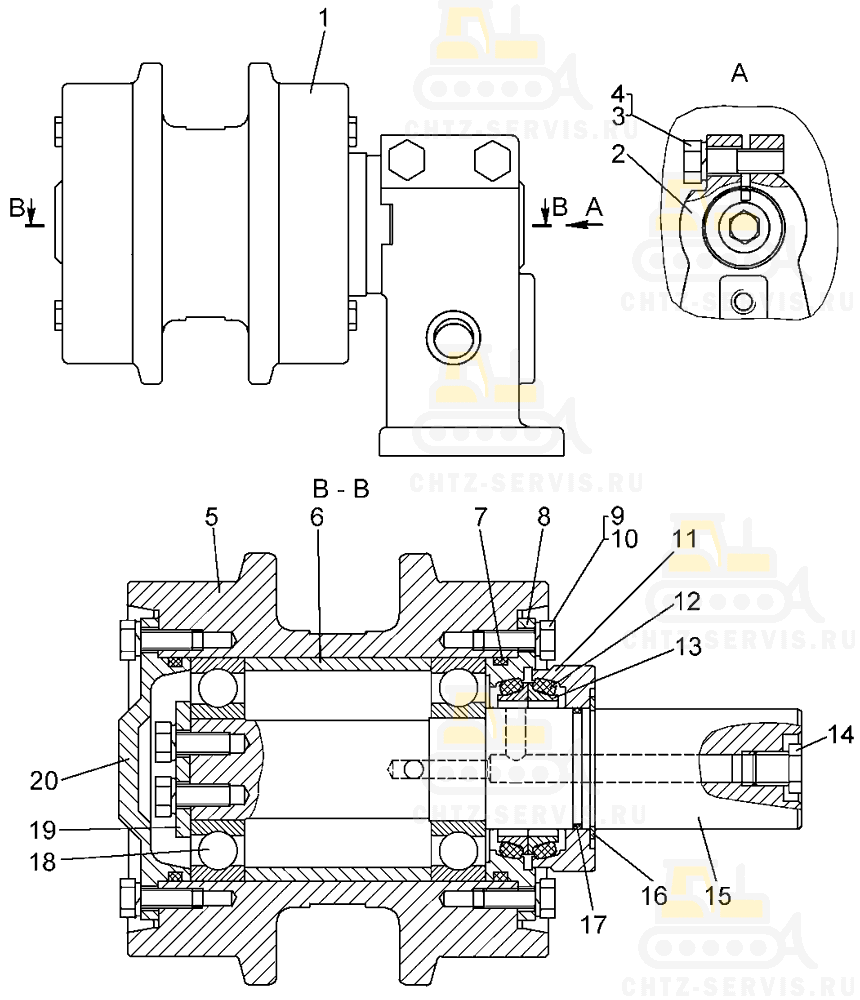
| 1 | 64-21-208СП Каток поддерживающий | 1 | |
| 2 | 50-21-314-01 Кронштейн | 1 | |
| 3 | – | Болт М20×1,5х62 | 2 |
| 4 | – | Шайба 20 ОТ 65Г 09 | 2 |
| 5 | 50-21-417СП Ролик | 1 | |
| 6 | Кат-21-212 Втулка дистанционная | 1 | |
| 7 | Кат-21-60-02 Кольцо | 2 | |
| 7 | Кат-21-60-03 Кольцо | 2 | |
| 8 | 64-21-170 Шайба упорная | 1 | |
| 9 | 2816 Болт | 14 | |
| 10 | – | Шайба 12 Т 65Г 09 | 14 |
| 11 | 64-21-169 Лабиринт | 1 | |
| 12 | Кат-21-57 Кольцо | 2 | |
| 13 | Кат-21-31 Кольцо | 2 | |
| 13 | Кат-21-43 Кольцо | 2 | |
| 14 | 700-37-2240 Пробка | 1 | |
| 15 | 64-21-155-01 Ось | 1 | |
| 16 | 700-58-2659 Кольцо | 1 | |
| 17 | Кат-21-60-07 Кольцо | 1 | |
| 18 | – | Подшипник 311 | 2 |
| 19 | 64-21-156 Пластина | 1 | |
| 20 | 50-21-436 Крышка | 1 | |
