| # | Номенклатурный номер | Наименование детали | Кол-во |
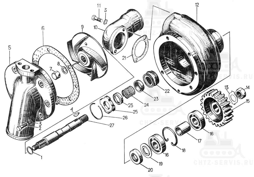
| — | 16-08-145СП Корпус | 1 | |
| 1 | 700-58-2405 Кольцо | 1 | |
| 2 | — | Болт M10×25.58.019 | 5 |
| 3 | — | Шайба 10ОТ 65Г 09 | 5 |
| 4 | 34126 Шпонка | 1 | |
| 5 | 16-08-104-2 Раструб | 1 | |
| 6 | 700-40-3097 Прокладка | 1 | |
| 7 | 700-30-2296 Гайка | 1 | |
| 8 | — | Шайба 14ОТ 65Г 09 | 1 |
| 9 | 51-08-104СП Крыльчатка | 1 | |
| 10 | 16-08-110 Патрубок | 1 | |
| 11 | — | Болт М10×22.58.019 | 2 |
| 12 | 16-08-109 Корпус | 1 | |
| 13 | 700-31-2529 Шайба | 1 | |
| 14 | — | Гайка М18×1,5.6.019 | 1 |
| 15 | 16-08-5 Шестерня | 1 | |
| 16 | — | Подшипник 304; 304К | 2 |
| 17 | 16-08-6 Втулка | 1 | |
| 18 | 16-08-15 Кольцо | 1 | |
| 19 | 16-08-13 Шайба | 1 | |
| 20 | — | Манжета 11 2-22×40-2 | 1 |
| 21 | 700-40-3833 Прокладка | 1 | |
| 22 | 700-40-2992 Гофр уплотнения | 1 | |
| 23 | 51-08-3 Седло | 2 | |
| 24 | 700-38-2235 Пружина | 1 | |
| 25 | 16-08-11-2 Шайба | 1 | |
| 26 | 51-08-11 Кольцо | 1 | |
| 27 | 51-08-25 Валик | 1 | |
