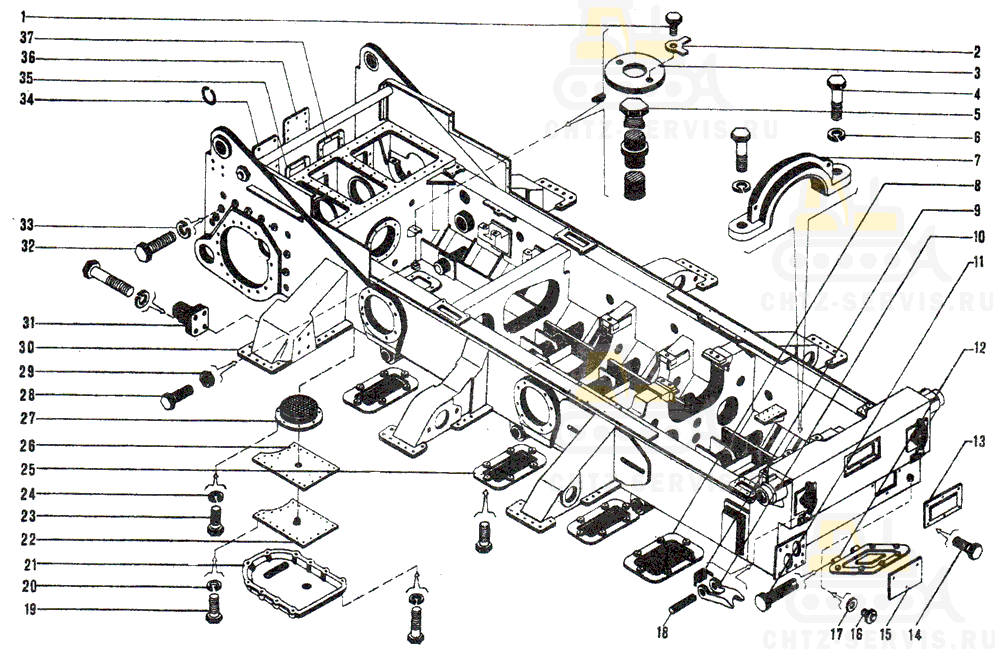
| Поз. | Номенклатурный номер | Наименование детали | Кол-во | Масса |
| 1 | - | Болт М6×20.46.019 ГОСТ 7798—70 | 4 | |
| 2 | 700-31-2490 Шайба | 2 | 0,002 | |
| 3 | 748-20-528 Фланец | 2 | 0.18 | |
| 4 | 700-28-2345 Болт | 8 | ||
| 5 | 748-20-232СП Ручка | 2 | 1,05 | |
| 6 | - | Шайба 20 ОТ 65Г 09 ГОСТ 6402—70 | 8 | |
| 7 | 748-20-44 Бугель | 1 | 3,2 | |
| 8 | 748-20-312СП Крышка | 1 | 15 | |
| 9 | 700-38-2795 Пружина | 2 | 0,05 | |
| 10 | 272-50-458 Защелка | 2 | 0,35 | |
| 11 | 748-20-518 Ось | 2 | 0,58 | |
| 12 | 748-20-229СП Крышка | 1 | 20,8 | |
| 13 | 748-20-340СП Крышка | 1 | 7,9 | |
| 14 | - | Болт М10×25.46.019 ГОСТ 7796—70 | 44 | |
| 15 | 748-20-339СП Крышка | 2 | 4,12 | |
| 16 | 700-37-2242 Пробка | 7 | 0,12 | |
| 17 | 700-40-260-19 Прокладка | 7 | 0,0013 | |
| 18 | 748-20-1024 Валик | 2 | 0,08 | |
| 19 | - | Болт М10×30.46.019 ГОСТ 7796—70 | 20 | |
| 20 | - | Шайба 10 ОТ 65Г 06 ГОСТ 6402—70 | 20 | |
| 21 | 748-20-618 Крышка | 1 | 16,5 | |
| 22 | 748-20-342СП Крышка | 1 | 6,2 | |
| 23 | - | Болт М8×16.46.019 ГОСТ 7796—70 | 8 | |
| 24 | - | Шайба 8T 65Г 06 ГОСТ 6402—70 | 8 | |
| 25 | 748-20-313СП Крышка | 4 | 13,4 | |
| 26 | 748-20-891 Прокладка | 1 | 0,012 | |
| 27 | 748-20-327СП Сетка | 1 | 0,382 | |
| 28 | - | Винт М8×20.66 ГОСТ 1481—75 | 2 | |
| 29 | - | Гайка М8.6.019 ГОСТ 5915—70 | 1 | |
| 30 | 748-20-344СП Рама | 1 | 5231 | |
| 31 | 748-20-933 Очиститель | 2 | 6,8 | |
| 32 | 700-28-2312 Болт | 18 | 0,56 | |
| 33 | - | Шайба 30HT 65Г 09 ГОСТ 6402—70 | 18 | |
| 34 | 748-20-294 Крышка | 2 | 3,95 | |
| 35 | 748-20-296 Прокладка | 2 | 0,0243 | |
| 36 | 748-20-247СП Крышка | 1 | 3,9 | |
| 37 | 748-20-297 Прокладка | 1 | 0,02 | |
