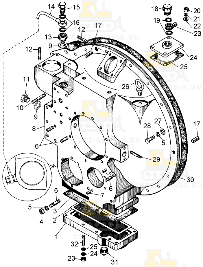
| # | Номенклатурный номер | Наименование детали | Кол-во |
| 1 | 64-14-25 Поддон | 1 | |
| 2 | 64-14-113СП Заборник | 1 | |
| 3 | 700-40-7193 Прокладка | 1 | |
| 4 | - | Гайка М12×1,25-7Н.6.019 | 24 |
| 5 | - | Шайба 12 ОТ 65Г 09 | 35 |
| 6 | 700-29-2476 Шпилька | 20 | |
| 7 | 700-32-2198 Штифт | 2 | |
| 8 | 64-14-20 Корпус | 1 | |
| 9 | - | Кольцо 27×35 | 2 |
| 10 | 700-29-2477 Шпилька | 4 | |
| 11 | 700-37-2154 Пробка | 1 | |
| 12 | 700-29-2474 Шпилька | 8 | |
| 13 | 64-14-61 Пробка | 1 | |
| 14 | 64-14-121СП Трубка | 1 | |
| 15 | 700-41-2716 Болт | 2 | |
| 16 | - | Кольцо 14×20 | 4 |
| 17 | 700-32-2206 Штифт | 2 | |
| 18 | 700-41-3306 Болт полый | 1 | |
| 19 | - | Кольцо 22×30 | 2 |
| 20 | - | Гайка М10×1,25-6Н.6.019 | 21 |
| 21 | - | Шайба 10 ОТ 65Г 09 | 35 |
| 22 | 31308-1 Шайба | 13 1, 2; 9 3, 4 | |
| 23 | 64-14-179СП Трубка | 1 | |
| 24 | 64-14-341 Крышка | 1 | |
| 25 | 700-40-7257 Прокладка | 1 | |
| 26 | 700-28-2224 Рым-болт | 2 | |
| 27 | 3135-1 Шайба | 17 | |
| 28 | - | Болт М12×40.58.019 | 11 |
| 29 | 700-29-2135 Шпилька | 2 | |
| 30 | 700-40-6160 Прокладка | 1 | |
| 31 | 37104-1 Пробка | 2 | |
| 32 | 700-29-2475 Шпилька | 9 | |
| 1 Для 64-14-1СП Гидротрансформатор для трактора с пусковым двигателем. 2 Для 64-14-1-02СП Гидротрансформатор с измененным активным диаметром для трактора с пусковым двигателем. 3 Для 64-14-1-01СП Гидротрансформатор для трактора сэлектростартерной системой пуска. 4 Для 64-14-1-03СП Гидротрансформатор с измененным активным диаметром для рактора с электростартерной системой пуска. | |||
