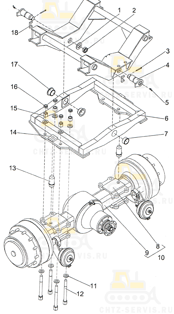
| Поз. | Обозначение | Наименование | Кол. | Масса |
| 1 | 027.14.11.142 Шайба | 2 | 0,13 | |
| 2 | 027.13.42.442 Гайка | 2 | 0,38 | |
| 3 | Шплинт 8×63.019 ГОСТ 397-79 | 2 | 0,027 | |
| 4 | ПК46.04.00.040 Ось | 2 | 3,6 | |
| 5 | Масленка 2.3.45.Ц6 ГОСТ 19853-74 | 2 | 0,032 | |
| 6 | ПК46.04.00.100 Рамка | 1 | 200,0 | |
| 7 | ПК46.04.00.001 Втулка | 1 | 0,72 | |
| 8 | ПК46.04.00.019 Планка | 2 | 7,5 | |
| 9 | ОДМ.73.001-6 Мост ведущий | 1 | 760 | |
| 10 | ПК46.04.00.050 Мост погрузчика доработанный | 1 | 767,5 | |
| 11 | ПК46.04.00.025 Шайба | 16 | 0,64 | |
| 12 | ПК46.04.00.030 Шпилька | 8 | 15,2 | |
| 13 | ПК46.04.00.003 Фиксатор | 2 | 0,72 | |
| 14 | ПК46.04.00.002 Втулка | 2 | 1,38 | |
| 15 | 027.13.14.227 Гайка | 8 | 2,24 | |
| 16 | 027.13.12.227 Гайка | 8 | 0,72 | |
| 17 | ПК46.04.00.004 Втулка | 2 | 0,9 | |
| 18 | ПК46.04.00.024 Скоба | 2 | 0,1 | |
| Общий вес, кг | 998 | |||
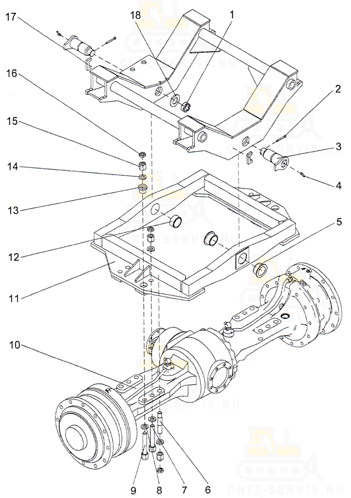
| ПК46.04.10.000 Установка заднего моста | ||||
| 1 | 027.13.42.442 Гайка | 2 | 0,38 | |
| 2 | Шплинт 8×63.019 ГОСТ 397-79 | 2 | 0,027 | |
| 3 | ПК46.04.00.040 Ось | 2 | 4,3 | |
| 4 | Масленка 2.2.45.Ц6 ГОСТ 19853-74 | 2 | 0,016 | |
| 5 | ПК46.04.00.004 Втулка | 2 | 0,45 | |
| 6 | ПК30.02.00.011-02 Шпилька | 4 | 0,56 | |
| 7 | ПК30.02.00.010 Шпилька | 6 | 0,9 | |
| 8 | ПК30.02.00.003-01 Шайба | 2 | 0,043 | |
| 9 | ПК30.02.00.020 Шпилька | 2 | 1-0 | |
| 10 | ZF MT-L 3075II Мост ведущий задний 4474 051 227 | 1 | 700 | |
| 11 | ПК46.04.10.200 Рамка | 1 | 195 | |
| 12 | ПК46.04.00.001 Втулка | 1 | 0,72 | |
| 13 | ПК30.02.00.005 Втулка | 2 | 0,45 | |
| 14 | ПК30.02.00.003 Шайба | 18 | 0,046 | |
| 15 | ПК30.02.00.002 Гайка | 12 | 0,2 | |
| 16 | ПК30.02.00.004 Гайка | 12 | 0,05 | |
| 17 | ПК46.04.00.024 Скоба | 2 | 0,1 | |
| 18 | 027.14.11.142 Шайба | 2 | 0,13 | |
| Общий вес, кг | 910 | |||
