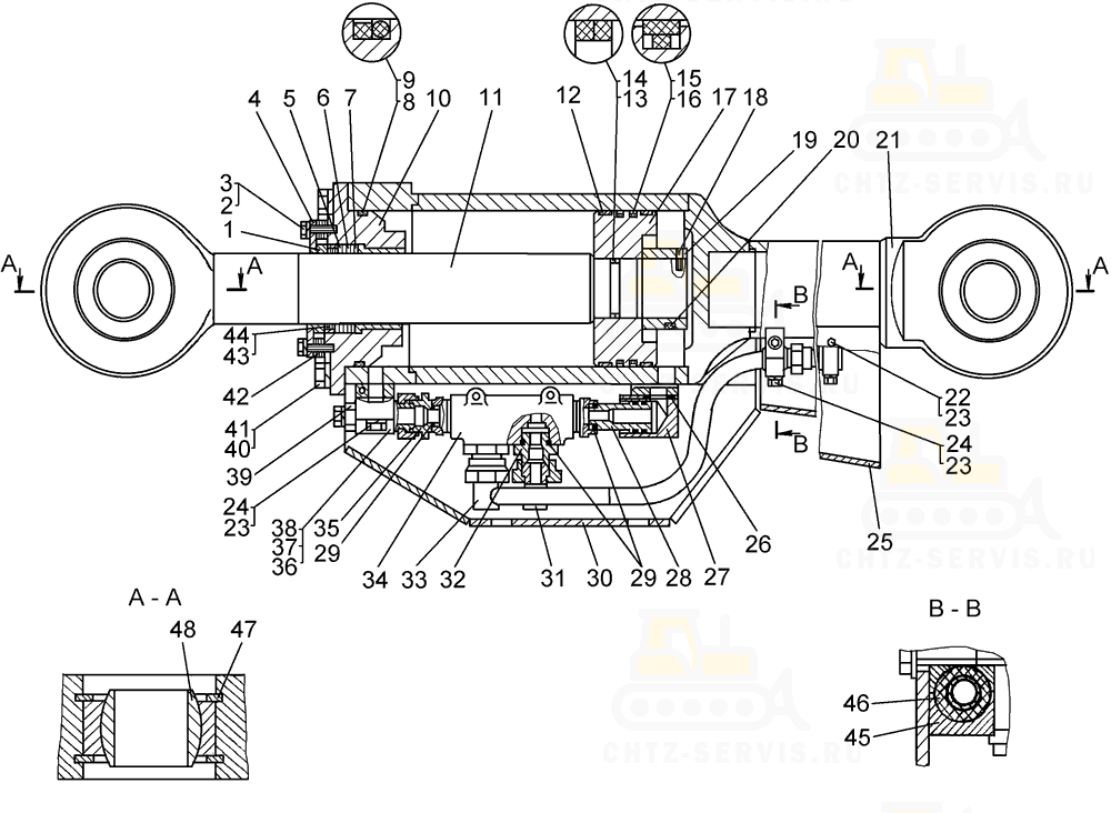
| Поз. | Номенклатурный номер | Наименование детали | Кол-во |
| – | 749-72-5СП 1 | Гидрооборудование бульдозера | |
| 1 | – | Болт М16-8g×30.58.019 | 2 |
| 2 | – | Шайба 16 ОТ 65Г 09 | 2 |
| 3 | 749-72-256СП Кожух | 1 | |
| 4 | 50-26-485СП Рукав 16 | 4 | |
| 5 | 749-72-240СП Гидрораскос | 1 | |
| 6 | – | Болт М8-6g×25.88.35.019 | 4 |
| 7 | – | Шайба 8Т 65Г 09 | 4 |
| 8 | 700-30-2308 Гайка | 2 | |
| 9 | 749-72-387 Крышка | 1 | |
| 10 | 749-72-388 Прокладка | 1 | |
| 11 | – | Болт М10-6g×40.58.019 | 3 |
| 12 | 749-72-13 Хомут | 3 | |
| 13 | 749-72-14 Прокладка | 3 | |
| 14 | 749-72-241СП Труба | 2 | |
| 15 | 749-72-30 Проходник | 2 | |
| 16 | 749-72-31 Штуцер | 2 | |
| 17 | – | Кольцо 020-025-30-2-2 | 8 |
| 18 | 749-72-29 Муфта | 2 | |
| 19 | – | Кольцо С25 65Г Ц9Хр | 2 |
| 20 | 749-72-257СП Кожух | 1 | |
| 21 | 749-72-196СП Труба | 1 | |
| 22 | 749-72-195СП Труба | 1 | |
| 23 | 749-72-410 Кожух | 1 | |
| 24 | 700-58-148 Заглушка | 2 | |
| 25 | – | Болт М10-6g×20.58.019 | 12 |
| 26 | – | Шайба 10 ОТ 65Г 09 | 12 |
| 1 Для бульдозерного оборудования 748-96-1СП. | |||
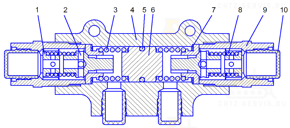
| Поз. | Номенклатурный номер | Наименование детали | Кол-во |
| – | 50-50-195CП Гидрозамок | ||
| 1 | 50-50-279 Втулка | 2 | |
| 2 | 50-50-197СП Клапан | 2 | |
| 3 | 700-38-2914 Пружина | 2 | |
| 4 | 50-50-210 Корпус | 1 | |
| 5 | 700-40-3543 Кольцо | 1 | |
| 6 | 50-50-247 Поршень | 1 | |
| 7 | 261164 Кольцо | 2 | |
| 8 | 700-38-2851 Пружина | 2 | |
| 9 | 50-50-281 Переходник | 2 | |
| 10 | 700-42-2232 Пробка | 4 | |
