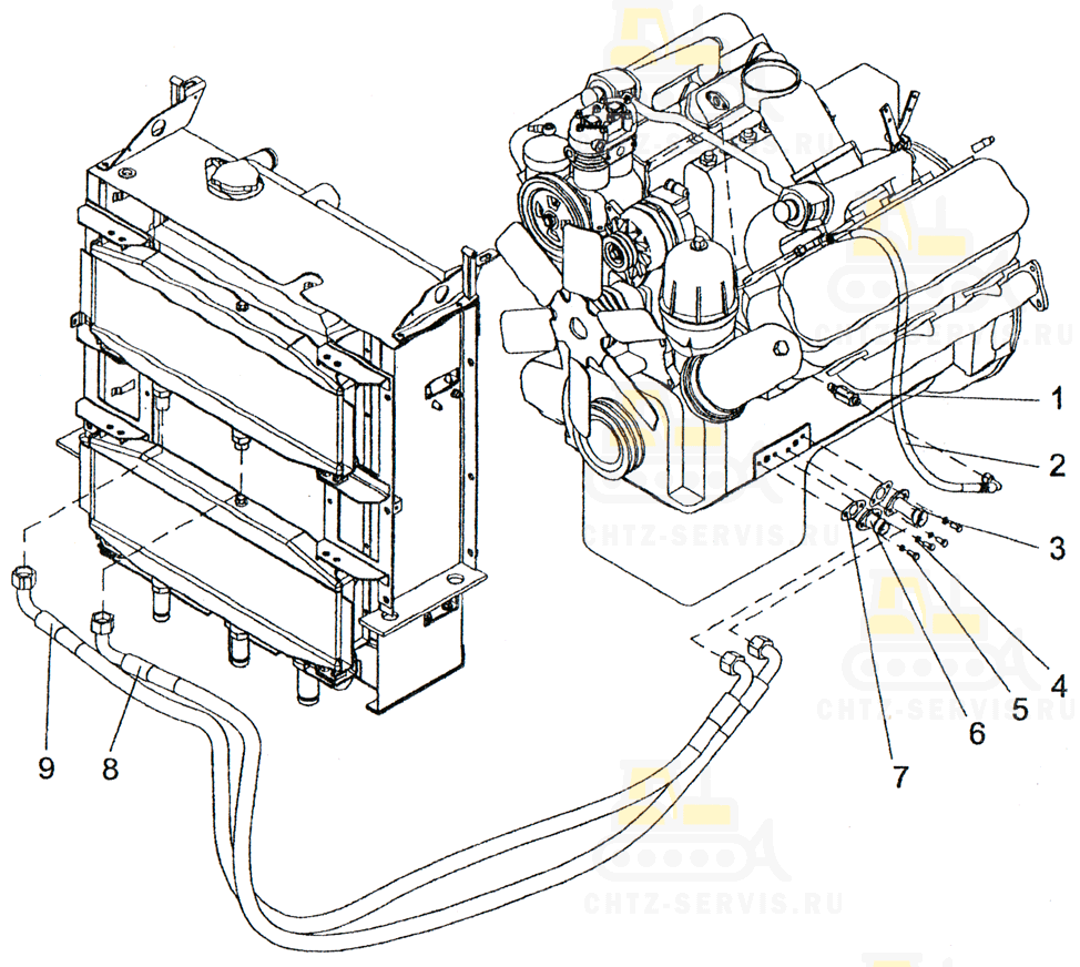
| Поз. | Номенклатурный номер | Наименование детали | Кол. | Масса |
| 1 | ПК46.38.00.001 Штуцер | 1 | 0,1 | |
| 2 | РВД 6.84.1300.0,1.11-90°/11-90°. М16×1,5/М16×1,5-У1 ТУ-3148-001-20871731-94 | 1 | 1,1 | |
| 3 | ПК46.38.00.010-01 Штуцер | 1 | 0,25 | |
| 4 | Шайба 8.65Г.019 ГОСТ 6402-70 | 4 | 0,001 | |
| 5 | Болт M8-6g×20.58.019 (S13) ГОСТ 7798-70 | 4 | 0,014 | |
| 6 | ПК46.38.00.010 Штуцер | 1 | 0,15 | |
| 7 | КБ11.38.00.001 Прокладка | 2 | 0,01 | |
| 8 | РНД 16.16.1500.0,13.11-90711-90°. М27×1,5/М27×1,5-У1-90° ТУ 3148-001-20871731-94 | 1 | 1,06 | |
| 9 | РНД 16.16.1700.0,13.11-90711-90°. М27×1,5/М27×1,5-У1-90° ТУ 3148-001-20871731-94 | 1 | 1,19 | |
| Общий вес, кг | 3,5 | |||
