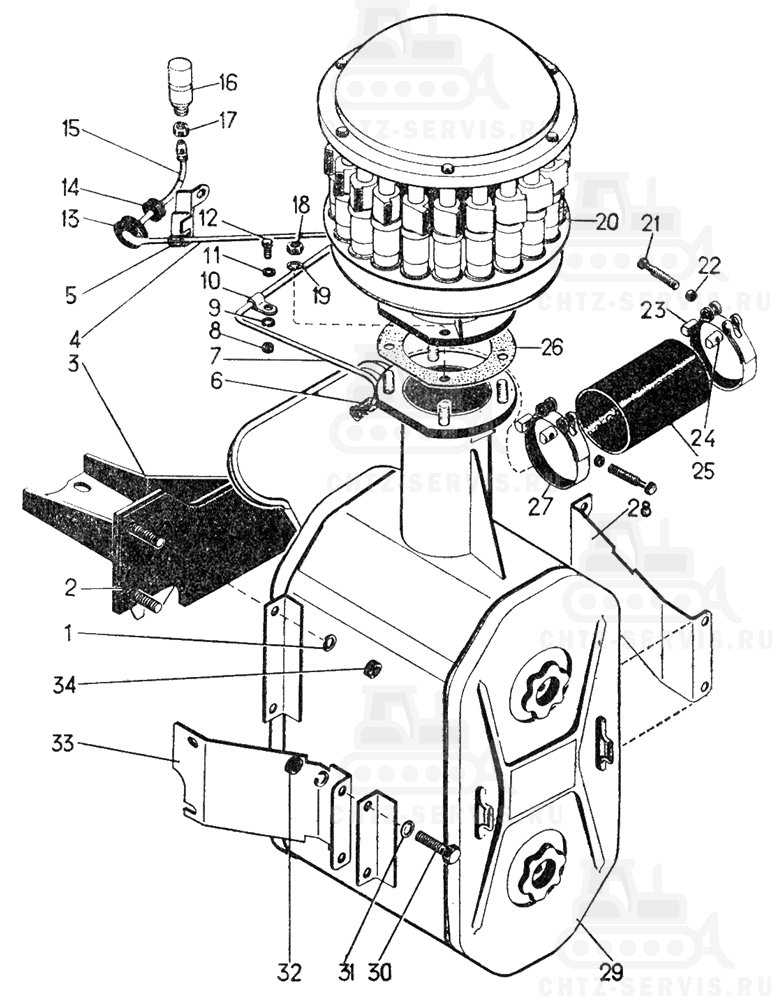
| # | Номенклатурный номер | Наименование детали | Кол-во |
| - | 51-05-ЗСП | Установка воздухоочистителя и коллекторов | 1 |
| - | 51-05-109СП | Установка воздухоочистителя | 1 |
| - | 51-05-113СП Болт стяжной | 2 | |
| - | 51-05-115СП Хомут | 2 | |
| - | 51-05-146СП | Установка сигнализатора | 1 |
| 1 | - | Шайба 120Т 65 Г 09 | 4 |
| 2 | 700-40-5755 Прокладка | 1 | |
| 3 | 51-05-106СП Кронштейн | 1 | |
| 4 | 700-40-6726 Трубка | 1 | |
| 5 | 16-25-13 Хомут | 1 | |
| 6 | 41181 Ниппель | 1 | |
| 7 | 51-05-148СП Трубка | 1 | |
| 8 | - | Гайка М8.6.019 | 2 |
| 9 | - | Шайба 8Т 65 Г 09 | 2 |
| 10 | 700-41-2760 Хомутик | 2 | |
| 11 | 31386 Шайба | 2 | |
| 12 | - | Болт M8X20.58.019 | 2 |
| 13 | 41879 Кольцо | 1 | |
| 14 | 700-40-4995-1 Втулка | 1 | |
| 15 | 51-05-147СП Трубка | 1 | |
| 16 | - | Сигнализатор засоренности воздухоочистителя ОР-9928-1 | 1 |
| 17 | - | Гайка М14Х1,5.6.019 | 2 |
| 18 | - | Гайка М10.6.019 | 5 |
| 19 | - | Шайба 10ОТ 65 Г 09 | 5 |
| 20 | 16-05-320СП Мультициклон | 1 | |
| 21 | 700-28-2377 Болт | 2 | |
| 22 | 51-05-35 Втулка | 2 | |
| 23 | 51-05-39 Серьга | 2 | |
| 24 | 51-05-38 Серьга | 2 | |
| 25 | 700-40-3484 Рукав | 1 | |
| 26 | 700-40-4621 Прокладка | 1 | |
| 27 | 51-05-114СП Лента | 2 | |
| 28 | 51-05-5 Кронштейн правый | 1 | |
| 29 | 51-05-139СП Воздухоочиститель | 1 | |
| 30 | - | Болт М12Х25.58.019 | 4 |
| 31 | 3135 Шайба | 4 | |
| 32 | 3011 Гайка | 4 | |
| 33 | 51-05-6 Кронштейн левый | 1 | |
| 34 | - | Гайка М12Х1,25.6.019 | 4 |
