Снятие распределителя Р160 Т-170
Снимите рамку, правую переднюю панель пола и уберите резиновое уплотнение. Выверните четыре болта и снимите переднюю и заднюю пластины распределителя Р160-3/1-111.
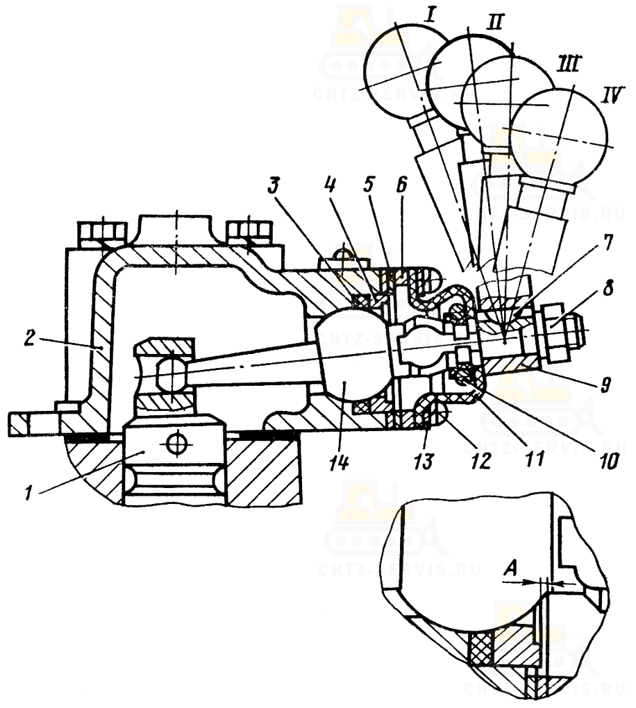
Снимите планки 1 ( рис. 324 ). Отверните гайку 4 крепления рукава 2 к распределителю 6 и снимите его. Отсоедините рукава 7. Выверните штуцер перепускной трубки 5 и отведите ее в сторону. Выверните восемь болтов крепления подводящего 8 и отводящего 9 масло патрубков. Ослабьте два болта на крышке люка правого крыла и снимите крышку. Выверните через люк крыла два болта и отверните две гайки внутри кабины крепления распределителя к кронштейну и лонжерону. Снимите распределитель. Масса распределителя 38 кг.
Разборка распределителя Р-160 Т-170
Установите распределитель на верстак. Отверните гайку 8 ( рис. 325 ), снимите рычаг 9, выбейте шпонку 7. 0тверните винты 12 крепленая фланца 6. Выньте рычаг 14 в сборе из корпуса верхней крышки 2-и хвостовика золотника 1 распределителя. Разберите рычаг 14, сняв с него шайбу 13, чехол 11с кольцом 10, фланец 6, прокладки 5, кольца 3 и 4. Аналогично разберите два других рычага.
Отверните болты и снимите нижнюю, крышку 7 ( рис. 326 ) распределителя и прокладку 13. Выньте из корпуса 3 три золотника 2. Золотники скомплектованы с отверстиями в корпусе, поэтому при разборке обратите внимание на наличие цифровой маркировки размерных групп отверстий в корпусе и на золотнике, для того чтобы при сборке установить их в прежние отверстия корпуса одной размерной группы.
Сожмите нижним стаканом 2 ( рис. 327 ) пружину 3 и отверните пробку 1 золотника. Усилие пружины 250 Н (25 кгс). Снимите нижний стакан 2, пружину 3, верхний стакан 5, обойму фиксатора 6, шарики 8, пружину 4, втулку фиксатора 9. Разборка двух других золотников аналогична.
Отверните болты и снимите верхнюю крышку 9 ( см. рис. 326 ) распределителя с прокладкой. Отверните два болта 11 крепления фланца перепускного клапана 12 и снимите фланец. Выньте из корпуса перепускной клапан.
Выньте из отверстия направляющей 2 ( рис. 328 ) клапана пяту 4 с кольцом 3, пружину 5 и клапан 1. Разукомплектовка направляющей и клапана не допускается. Снимите с направляющей клапана кольцо 6.
Отверните два болта крепления корпуса 4 ( рис. 329 ) обратного клапана 5 к корпусу распределителя 1. Выверните штуцер 3, перемещая его вместе с корпусом 4. Снимите корпус и уплотнительные кольца 2, 9 и 10. Отверните четыре болта и снимите крышку 8. Выньте из корпуса 4 кольцо 7, пружину 6 и клапан 5.
Снимите пломбу, отверните колпачок 1 ( рис. 330 ) предохранительного клапана, снимите уплотнительное кольцо 2. Ослабьте гайку 3 и выверните винт 5 с кольцом 4. Отверните седло 13 предохранительного клапана и снимите уплотнительное кольцо 10 и 12. Выньте шарик 9 (Б 9,525—200), направляющую 8 и пружину 7 предохранительного клапана. Выверните пробку 11.
Сборка распределителя Р160 Т-170
Перед сборкой трущиеся поверхности деталей и резиновые уплотнения смажьте тонким слоем чистого моторного масла. Замените уплотнительные кольца, имеющие остаточную деформацию. Установите в кольцевую канавку направляющей 2 (см. рис. 328) перепускного клапана уплотнительное кольцо 6 и спаруйте с клапаном 1.
Запрессуйте в корпус 6 (см. рис. 330) седло 18 перепускного клапана. Установите перепускной клапан с направляющей в отверстие корпуса 6. Установите пружину 17 в отверстие клапана. Установите в канавку пяты 15 уплотнительное кольцо 16 и вставьте пяту в отверстие направляющей, так чтобы пружина вошла в отверстие пяты. Заполните внутреннюю полость фланца 14 солидолом и закрепите его на корпусе двумя болтами. Момент затяжки болтов 30...50 Н-м (3...5 кгс-м).
Установите обратный клапан 5 ( см. рис. 329 ) в отверстие корпуса 4 и легкими ударами обстукайте его до появления равномерного кольцевого пояска на конусной поверхности клапана. Установите пружину 6 в отверстие клапана и уплотнительное кольцо 7 в выточку корпуса. Установите крышку 8 и закрепите четырьмя болтами. Момент затяжки болтов 30...50 Н-м (3...5 кгс-м). Установите в кольцевые проточки корпуса 4 уплотнительное кольцо 9 и 10, вставьте штуцер 3 и вверните его в корпус 1 распределителя. Закрепите корпус 4 двумя болтами. Момент затяжки болтов 30...50 Н-м (3...5 кгс-м).
Установите уплотнительное кольцо 4 ( см. рис. 330 ) в выточку гайки 3 и наверните гайку на регулировочный винт 5. Вверните винт в корпус 6 распределителя. Установите пружину 7 в отверстие корпуса распределителя. Обстучите шарик 9 по седлу 13 до появления кольцевого пояска. Установите шарик 9 (Б 9,525—200) в сферическое углубление направляющей 8 и установите направляющую с шариком в отверстие пружины 7. Установите на седло 13 уплотнительные кольца 10 и 12. Заверните седло в резьбовое отверстие корпуса распределителя.
Примечание: законтрите винт 5 гайкой 3 и установите колпачок 1 с кольцом 2 после регулирования предохранительного клапана. Колпачок застопорите Проволокой и опломбируйте.
Установите втулку 9 ( см. рис. 327 ) в отверстие золотника 7. Установите шарики 8 (8—200) в пять отверстий золотника и наденьте на золотник обойму 6. Установите пружину 4 в отверстие втулки 9. Установите верхний стакан 5 на обойму.
Наденьте на стакан пружину 3 и сожмите ее нижним стаканом 2, заверните пробку 1. Соберите аналогично остальные два золотника. Скомплектуйте золотники по наружному диаметру одноименной размерной группы с отверстием в корпусе. Зазор в сопряжении золотник — корпус должен быть 0,01...0,02 мм. Допускается совместная притирка корпуса и золотника по диаметру с обеспечением зазора 0,01...0,02 мм. Установите скомплектованные золотники в корпус распределителя так, чтобы штифты корпуса вошли в паз обойм фиксаторов, а верхние радиальные отверстия золотников были направлены в сторону перепускного клапана. Смажьте лаком «Герметик» .прокладку 13 ( см. рис. 326 ), установите и закрепите болтами нижнюю крышку 1. Момент затяжки болтов крепления крышки 30...50 Н-м (3...5 кгс-м). Смажьте лаком «Герметик» прокладку 6, установите и закрепите верхнюю крышку 9. Момент затяжки болтов крепления верхней крышки 15...35 Н-м (1,5...3,5 кгс-м). Смажьте лаком «Герметик» прокладку 8, установите болтами крышку 7. Момент затяжки болтов крепления крышки 15...35 Н-м (1,5...3,5 кгс-м). Заверните пробку 4 с уплотнительным кольцом 5. Установите рычаг 10 малой шаровой поверхностью в отверстие хвостовика золотника 2. Наденьте уплотнительное кольцо 3 ( см. рис. 325 ) и кольцо 4 на сферическую поверхность рычага. Отрегулируйте прокладками 5 зазор А, равный 0,0...0,3 мм между торцом кольца 4 и торцом фланца 6. Наденьте пружинное кольцо 10 на чехол И и установите чехол в кольцевую проточку рычага 14. Установите на чехол шайбу 13 и закрепите к фланцу 6 и крышке 2 винтами 12 с пружинными шайбами. Установите аналогично два других рычага. Установите в пазы рычагов 14 сегментные шпонки 7 и наденьте рычаги 9, закрепите их гайками с пружинными шайбами.
Регулирование и испытание распределителя Т-170
- Подведите дизельное масло к напорной полости в количестве 150...155 л/мин с температурой 318...328 К (45...55°С).
- Отрегулируйте винтом 5 ( см. рис. 330 ) затяжку пружины предохранительного клапана. Предохранительный клапан должен срабатывать при давлении в системе 18...20-МПа (180...200 кгс/см²); при этом один из рычагов должен быть установлен в положение I и III ( см. рис. 325 ) и удерживаться в этом положении с помощью механического воздействия.
- После регулирования затяните гайку 3 ( см. рис. 330 ), наверните колпачок 1 и законтрите его проволокой с пломбой.
- Золотники должны свободно, без заеданий передвигаться в корпусе и надежно- фиксироваться в положении IV рычага распределителя.
- Произведите по пять включений в положения I, III, IV. Течь и обмасливание в разъемах и в местах уплотнений не допускаются.
- Определите по утечкам правильность подобранного зазора золотник—корпус.
Установка распределителя Р-160 Т-170
Установите распределитель на кронштейн лонжерона и закрепите четырьмя болтами с пружинными шайбами и двумя гайками. Присоедините подводящий 8 ( см. рис. 324 ) и отводящий 9 маслопатрубки и закрепите их болтами с пружинными шайбами. Присоедините перепускную трубку 5 Штуцером с медными прокладками.
Закрепите на распределителе 5 ( рис. 331 ) шесть рукавов 4: Затяните на штуцере 3 гайку 2 рукава 1. Установите заднюю пластину распределителя. Вставьте в два передних штуцера распределителя б ( см. рис. 324 ) передние трубы 3 и закрепите двумя планками 11 с болтом 10 пружинной шайбой и гайкой 4. Установите переднюю пластину распределителя. Установите крышку люка правого крыла. Наложите на пластины распределителя резиновое уплотнение и установите правую переднюю панель пола и рамку.
