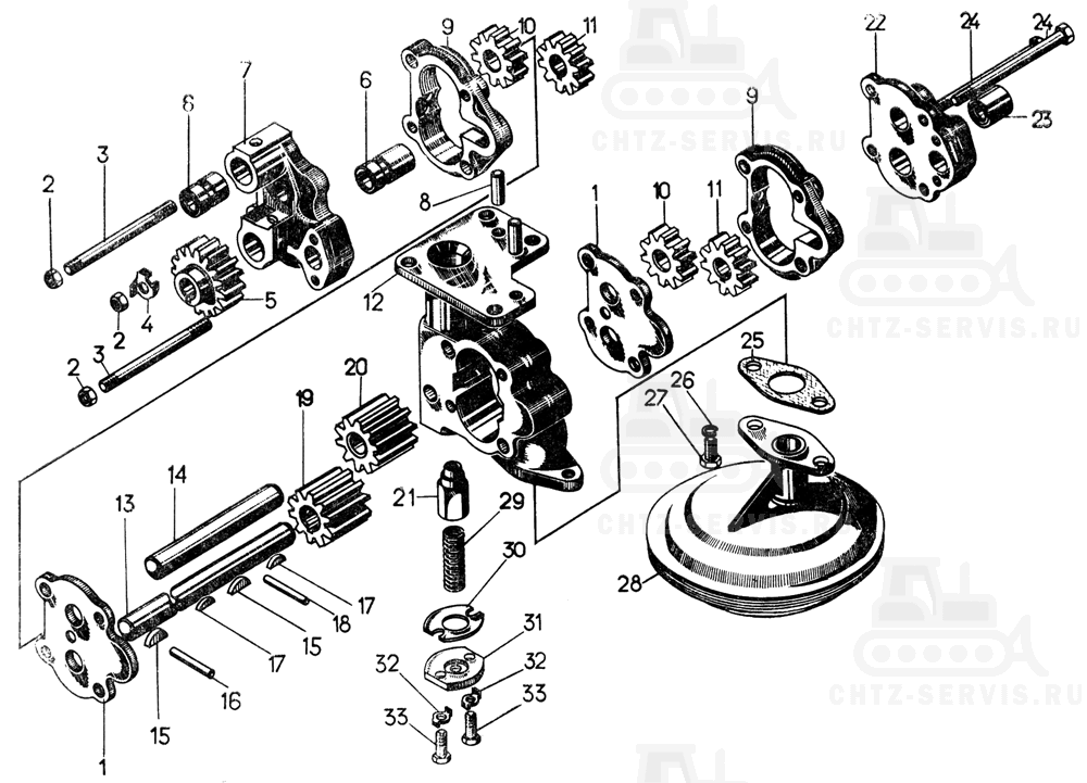
| # | Номенклатурный номер | Наименование детали | Кол-во |
| — | 16-09-150СП Крышка | 1 | |
| — | 16-09-163СП Валик | 1 | |
| — | 29-09-125СП Крышка | 1 | |
| 1 | 29-09-64 Плита | 2 | |
| 2 | 700-30-2099 Гайка | 4 | |
| 3 | 700-29-2098 Шпилька | 2 | |
| 4 | 3137 Шайба | 4 | |
| 5 | 16-09-142 Шестерня | 1 | |
| 6 | 29-09-62 Втулка | 2 | |
| 7 | 16-09-98 Крышка | 1 | |
| 8 | 32211 Штифт | 2 | |
| 9 | 29-09-63 Корпус | 1 | |
| 10 | 09217 Шестерня | 2 | |
| 11 | 09216 Шестерня | 2 | |
| 12 | 29-09-60 Корпус | 1 | |
| 13 | 16-09-140 Валик | 1 | |
| 14 | 29-09-59 Ось | 1 | |
| 15 | 700-34-2031 Шпонка | 1 | |
| 16 | 32268 Штифт | 1 | |
| 17 | 700-34-2021 Шпонка | 2 | |
| 18 | 700-32-2125 Штифт | 1 | |
| 19 | 16-09-146 Шестерня | 1 | |
| 20 | 16-09-145 Шестерня | 1 | |
| 21 | 09205 Клапан | 1 | |
| 22 | 29-09-57 Крышка | 1 | |
| 23 | 29-09-58 Втулка | 1 | |
| 24 | 700-28-2087СП Болт | 2 | |
| 25 | 700-40-2886 Прокладка | 1 | |
| 26 | — | Шайба 10ОТ 65Г 09 | 2 |
| 27 | — | Болт M10×20.58.019 | 2 |
| 28 | 51-09-150СП Маслоприемник | 1 | |
| 29 | 700-38-2191 Пружина | 1 | |
| 30 | 16-09-147 Прокладка | 4 | |
| 31 | 29-09-117 Фланец | 1 | |
| 32 | 700-31-2087 Шайба | 2 | |
| 33 | — | Болт М6×25.58.019 | 2 |
