Текущий ремонт ОБ10
Текущий ремонт должен производиться во время технического обслуживания и ремонта.Периодичность текущих ремонтов должна быть кратной периодичности технического обслуживания, но не реже чем через 1000 моточасов.
Текущий ремонт должен обеспечивать гарантированную работоспособность трактора с БО до очередного планового вида ремонта.
Объем текущего ремонта определяется техническим состоянием трактора с БО Б10. Разбирать и ремонтировать необходимо только сборочные единицы и детали, в которых обнаружены неисправности.
Кроме устранений неисправностей при текущем ремонте трактора с БО в обязательном порядке производятся следующие работы:
- подготовка к ремонту и разборка
- сборка и регулирование
- испытание
Возможные неисправности ОБ10 и способы их устранения
| Неисправность, внешнее проявление и причина | Способ устранения |
| Отвал бульдозера Б10 плохо внедряется в грунт | |
| 1. Износ рабочей кромки ножей* | Переустановить (заменить) ножи Б10 в соответствии с рис. 12 |
| 2. Угол резания отвала не соответствует категории грунта | Установить необходимый угол резания отвала |
| Орудие не поднимается или поднимается очень медленно | |
| Вышло из строя уплотнение поршня гидроцилиндра | Заменить уплотнение |
| Течь рабочей жидкости из-под уплотнений штока гидроцилиндра рыхлителя или гидроцилиндра перекоса отвала | |
| Износ уплотнений штока | Разобрать гидроцилиндр 131-26-108-02сп и заменить уплотнения |
| Отвал перемещается рывками | |
| В гидросистему попал воздух | Удалить воздух из гидросистемы неоднократным подъемом и опусканием отвала |
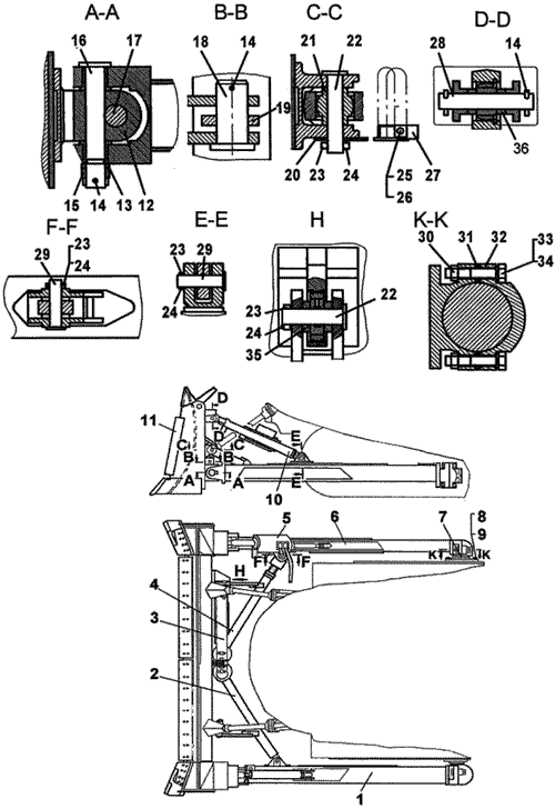
Рис 12 Перестановка и замена ножей
I-нож средний; II-нож боковой (модели Е и В); III-нож боковой (модели Д); 1, 2, 3, 4-последовательность операций перестановки ножей; А=65 мм – размер до линии износа
* При предельном износе режущих кромок ножей отвала Б10, при необходимости детали их крепления, заменить новыми из комплекта ЗИП
Требования к разборке бульдозерного оборудования ОБ10
При подготовке трактора с БО к разборке:- доставить трактор на участок наружной мойки
- обмыть детали ходовой системы и сборочные единицы трактора с БО на Б10 сосредоточенной струей воды
- обдуть детали и сборочные единицы сжатым воздухом до полного удаления влаги
- опустить бульдозерное оборудование на грунт.
При разборке резьбовых соединений применяют ключи, отвертки, ручной механизированный инструмент (пневматические, электрические гайковерты) соответствующих типов и размеров. Снятые крепежные детали следует временно устанавливать на свои места.
При разборке подвижных соединений не применять стальные молотки и выколотки для ударов непосредственно по деталям. Разборку сопряжений с неподвижными посадками следует производить при помощи пресса или съемников.
Шлифованные и полированные поверхности должны быть предохранены от повреждения.
Разборку гидравлической, пневматической и топливной систем производить в условиях, исключающих попадание во внутренние полости пыли и грязи.
Составные части перечисленных систем, имеющие уплотнения, подлежат обязательной разборке. Не имеющие уплотнений - подвергаются разборке только в случае необходимости ремонта, потребность в котором устанавливается при проверке составной части на работоспособность.
Каналы в сборочных единицах, полости гидроцилиндров и трубопроводов следует смазать рабочей жидкостью, отверстия закрыть технологическими заглушками. При установке заглушек не допускается деформация или повреждение сопрягаемых поверхностей, а также установка заглушек с фибровыми или другими ломкими прокладками.
Рекомендуемые схемы строповки для перемещения деталей и сборочных единиц весом более 20 кг приведены ниже.
Порядок разборки бульдозерного оборудования ОБ10 с полусферическим и прямым отвалами
Установить трактор с БО на горизонтальной площадке, установить подставки под отвал и толкающие брусья, остановить дизель.Расстопорить, выбить пальцы 22 (рис.7) из проушин отвала и головок штоков гидроцилиндров подъема и опускания отвала.
Рис. 7 Сборка и установка оборудования бульдозерного моделей Е и В
1, 6-брус; 2-тяга; 3-балка; 4-подкос; 5-гидрораскос 50-50-121сп; 7-опора шаровая; 8, 25, 34-болт; 9, 13, 26, 33-шайба; 10-раскос винтовой; 11-отвал; 12-крестовина; 14, 24-шплинт; 15, 30-гайка; 16, 17, 18, 22, 23, 28, 29-палец; 19-серьга; 20-стопор; 21-сфера; 27-скоба; 31-прокладка; 32-крышка; 35, 36-втулка
Отвернуть и вынуть болты 34 крепления крышек 32, снять крышки и прокладки.
Отвернуть гайки рукавов на гидрозамке, слить из них рабочую жидкость.
Пустить дизель, втянуть штоки гидроцилиндров Б10 подъема и опускания отвала и задним ходом продвинуть трактор за пределы толкающих брусьев, остановить дизель.
Снять гидроцилиндры подъема и опускания отвала. Для этого: отсоединить шток цилиндра от навесного оборудования. Отвернуть накидные гайки рукавов высокого давления от труб гидроцилиндра. Снять дополнительную угловую трубу подвода масла. Закрыть отверстия в цилиндре и рукавах для предотвращения попадания пыли. Застропить цилиндр. Отвернуть три гайки крепления крышек.
Рис. 13 Гидроцилиндр подъема-опускания отвала
1-цилиндр; 2, 5, 7, 10-крышка; 3-шток; 4-сфера; 6-масленка; 8-втулка; 9-бугель; 11-болт; 12-шайба; 13-гайка; 14-сухарь; 15-труба; 16-шпонка
Снять переднюю крышку 2 (рис. 13) и вынуть из отверстий крышек и цилиндра болты 11. Снять цилиндр с цапфы, поддерживая от выпадения два сухаря 14 и две шпонки 16.
Застропить раскос 10 (рис. 7), расстопорить и выбить пальцы 23, 29 и 28, снять раскос. Расстопорить, выбить пальцы 29 и снять подкос 4.
Расстопорить, выбить пальцы 19 и снять балку 3, тягу 2 и серьгу 20.
Застропить гидрораскос 5, выбить пальцы 23, 29 и 28 гидрораскоса.
Поднять гидрораскос, переместить и уложить на подставку.
Расстопорить, выбить пальцы 16, соединяющие толкающие брусья 1, 6 с отвалом.
Застропить толкающие брусья, поднять, переместить и уложить на свободное место.
Выбить пальцы 18 и снять крестовины 17 из проушин отвала.
Разобрать, при необходимости, гидрораскос, для этого вывернуть болты, снять кожух 7 (рис.3) гидрозамка, отвернуть гайку 5, снять гидрозамок 8.
Гидрозамок 50-50-195сп, отказавший в работе, следует заменить новым.
ЗАПРЕЩАЕТСЯ РАЗБОРКА ГИДРОЗАМКА
Порядок разборки бульдозерного оборудования ОБ10 с поворотным отвалом с ручным перекосом
Установить трактор с БО на горизонтальной площадке.Поднять отвал 80-52-7СП на высоту не более 300 мм от поверхности земли.
Расстопорить и выбить пальцы 29 (рис. 9) из шаровых пальцев 30 толкателей.
Рис. 9 Сборка и установка оборудования бульдозерного модели Д
1, 5-полурама; 2, 10, 20, 27, 29-палец; 3, 28-шплинт; 4-брус толкателя; 6, 15, 17, 23, 33-болт; 7, 16, 18, 24, 31-шайба; 8, 11-крестовина; 9-отвал; 12-раскос; 13, 25-гайка; 14, 22, 32-крышка; 19-ригель; 21-опора шаровая; 26-прокладка; 30-палец шаровой; 34-гнездо
Отвести в сторону оба бруса толкателя до выхода шаровых пальцев из кронштейнов рамы, опустить отвал на землю, установить под брусьями толкателей подставки и остановить дизель.
Вывернуть болты 33, снять крышку 32.
Пустить дизель и задним ходом продвинуть трактор за пределы отвала с.толкателем. Остановить дизель.
Снять гидроцилиндры подъема и опускания отвала Б10.
Застропить отвал 9 и положить брусьями толкателя 4 вверх.
Расстопорить, выбить пальцы 10, вынуть брусья толкателей и раскосы 12 из проушин отвала.
Установить полураму 1, 5 горизонтально на подставках.
Отвернуть гайки крепления крышки 22, вынуть болты 23 снять крышку и прокладку. Расстопорить и выбить пальцы 2.
Пустить дизель и задним ходом продвинуть трактор за пределы рамы. Остановить дизель.
Технические требования на дефектацию деталей после разборки ОБ10
После разборки сборочных единиц произвести промывку и проверку технического состояния деталей с установлением мелких дефектов (забоин, заусениц, наволакиваний металла, погнутостей и т. д.).| Наименование деталей | Наименование дефектов, при наличие которых детали выбраковываются |
| Подшипники Б10 | Ощутимые радиальные и осевые люфты. Раковины, чешуйчатые отслоения коррозийного характера. Трещины, обломы |
| Детали с резьбой | Срыв более двух ниток Сдвиги ниток. Значительные износы ниток, заметные при осмотрах. Смятие граней под ключи |
| Валы Т10, оси, пальцы, детали с отверстиями | Трещины любых размеров и расположений. Износы посадочных поверхностей под подшипники, пальцы. Изгибы, заметные при осмотрах |
| Замковые и пружинные шайбы, шплинты | Выбраковываются независимо от технического состояния их в случаях снятия при разборке |
| Неметаллические прокладки и уплотнения* | Выбраковываются независимо от технического состояния их в случаях снятия при разборке |
| Отвал Т10, толкающие брусья, раскос и гидрораскос, рама, толкатели | Деформация, не поддающаяся исправлению (коробление, погнутость, скручивание). Вмятины, пробоины и трещины в сварных швах |
| Тяги, балка рабочая | Трещины в сварных швах |
| * При удовлетворительном техническом состоянии допускается повторное использование уплотнений | |
Остальные детали выбраковываются по признакам, влияющим на их работоспособность.
Выбракованные детали могут быть допущены к сборке после устранения дефектов.
Сборка и установка оборудования ОБ10
К сборке допускаются детали Б10 чистые и годные для сборки. Все детали перед их установкой должны быть протерты ветошью и продуты сжатым воздухом, особое внимание обратить на чистоту смазочных каналов. Трущиеся и резьбовые поверхности деталей перед сборкой следует смазать маслом, применяемым для смазки данной детали.Прокладки Т10 должны равномерно прилегать к сопрягаемым поверхностям, быть плотно зажаты и расположены так, чтобы при необходимости регулирования обеспечивается свободный доступ к тонким прокладкам.
При сборке деталей с подвижной посадкой обеспечить свободное перемещение сопрягаемых деталей без заеданий. Детали, имеющие шлифованные и полированные поверхности, должны направляться на сборку так, чтобы обеспечивалось сохранность этих поверхностей от повреждений и загрязнений. Сварные швы должны быть сплошными, равномерного сечения. В швах не должно быть трещин, прожогов, пористости, наплывов, порезов и других дефектов. Упаковку и предохранительную смазку снимать с подшипников непосредственно перед монтажом. Подшипники Б10 промыть, продуть сжатым воздухом и смазать чистым маслом.
Болты и гайки затягивать ключами только соответствующего размера, без удлинителей.
Крепление сборочных единиц и деталей болтами или гайками производить по диагонали, сначала предварительной, а затем окончательной затяжкой. Замковые (стопорные) шайбы зажимать гайками так, чтобы усики плотно прилегали к граням гайки и детали. Оси (пальцы) шарнирных соединений следует надежно зашплинтовать.
Технологические заглушки из каналов и отверстий в сборочных единицах и деталях вынимать непосредственно перед сборкой.
Манжетные уплотнения должны быть чистыми, без заусенцев и других повреждений.
