Воздухоочиститель
Воздухоочиститель 51-05-215СП состоит из двух ступеней очистки воздуха: первой — мультициклона и второй — воздухоочистителя тонкой очистки с двумя основными бумажными и двумя предохранительными матерчатыми фильтр-патронами (ФП).
В мультициклоне, благодаря центробежной силе, из воздуха выпадают в поддон крупные частицы пыли, которые затем отсасываются из него за счет эжекционного эффекта в выхлопную трубу дизеля Т-170. В воздухоочистителе тонкой очистки воздух, проходя через фильтрующую бумагу, очищается от мелких фракций пыли.
Снятие мультициклона
Отсоедините резиновый шланг эжекционной трубы от патрубка 2 (рис. 20) корпуса мультициклона 51-05-216СП. Ослабьте натяжение хомута 5 и снимите мультициклон 6 с горловины корпуса воздухоочистителя тонкой очистки. Ослабьте натяжение хомута 7 и снимите воздухозаборник 1 с мультициклона.
Технические требования на детали мультициклона
- Корпуса циклонов не должны иметь трещин и сквозных повреждений;
- На корпусе мультициклона и воздухозаборнике не должно быть вмятин, сквозных пробоин и трещин.
Установка мультициклона
Наденьте воздухозаборник 1 на корпус мультициклона в сборе с циклонами и закрепите хомутом 7. Наденьте мультициклон с воздухозаборником 51-05-205СП на горловину корпуса воздухоочистителя тонкой очистки и закрепите хомутом 5. Подсоедините резиновый шланг эжекционной трубы к патрубку 2 мультициклона.
Снятие и разборка воздухоочистителя тонкой очистки Т-170
Снятие воздухоочистителя тонкой очистки
Снимите мультициклон с воздухоочистителя. Ослабьте натяжение хомута 3 (см. рис. 20) крепления рукава подвода воздуха к турбокомпрессору. Отверните восемь гаек с болтов 4 крепления воздухоочистителя к кронштейнам двигателя и снимите его.
Разборка воздухоочистителя тонкой очистки
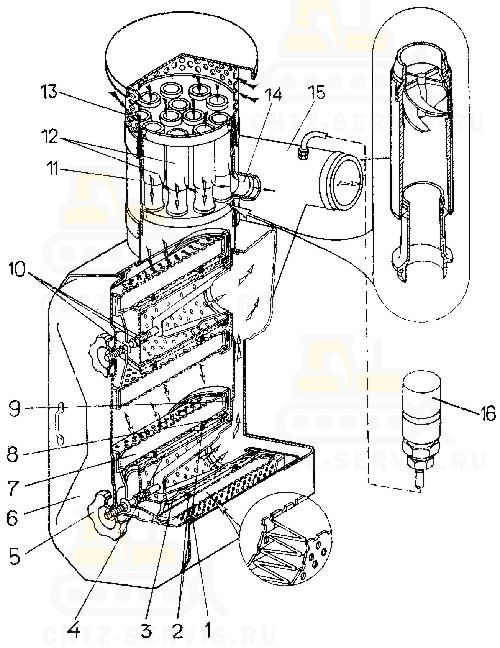
Отверните рукоятки 5 (рис. 21) и снимите крышку 6 корпуса воздухоочистителя. Отверните гайки 10 со шпилек корпуса и снимите основные фильтр-патроны 7 и предохранительные фильтр-патроны 4.
Снимайте и устанавливайте фильтр-патроны 51-05-310СП осторожно, чтобы не повредить их; не применяйте для снятия какие-либо рычаги. Прокладки, приклеенные к поверхности корпуса и прилегающие к резиновым кольцам 9 основных фильтр-патронов, если они в хорошем состоянии, не снимайте.
Технические требования на фильтр-патроны Т-170
- Перед установкой основные фильтр-патроны 7 с небольшим загрязнением бумаги должны быть очищены продувкой воздухом под давлением не более 0,2 МПа (2 кгс/см²) или промыты в растворе пасты ОП-7 или ОП-Ш (20 г пасты на 1 л воды) или стирального порошка. Температура раствора 323 К (50°С).
Продуйте фильтр-патроны изнутри струей воздуха, направленной наружу фильтр-патрона. Во избежание разрыва бумажной шторы струя направляется под углом 30... 45° к вертикальной оси фильтр-патронов, а сопло должно располагаться не ближе 30 мм от бумаги. После этого обдуйте фильтр-патроны снаружи.
При замасливании фильтр-патроны погрузите на 2 ч в водный раствор пасты. Затем прополощите фильтр-патроны в растворе в течение 1 ... 2 мин, промойте в чистой воде и высушите в теплом помещении. Сушите при комнатной температуре не менее 24 ч.
Сменные матерчатые чехлы 3 предохранительных фильтр-патронов 4 промывают в растворах, указанных выше. Перед промывка матерчатые чехлы освободите от колец 2 и снимите с каркаса. Допускается очищать сменные чехлы, снятые с каркаса, встряхиванием. - Не допускается установка фильтр-патронов, имеющих разрывы фильтрующей бумаги, нарушение заделки ее краев, повреждение уплотнительных резиновых колец.
- Уплотнительное кольцо 9 на опорном торце основных фильтр-патронов должно быть надежно приклеено.
- Поверхности прилегания уплотнительных колец фильтр-патронов в корпусе воздухоочистителя должны быть ровными, без вмятин и вздутий. Прокладки на этих поверхностях должны быть приклеены и не должны иметь морщин, разрывов и загибов краев.
Сборка и установка воздухоочистителя Т-170
Сборка воздухоочистителя
Приклейте две уплотняющие прокладки на дно корпуса воздухоочистителя 51-05-217СП под кольца 9 (см. рис. 21) основных фильтр-патронов. Установите предохранительный фильтр-патрон 4 с уплотнительным кольцом 8 в корпус воздухоочистителя. Наденьте на шпильку прокладку, шайбу и закрепите фильтр- патрон гайкой с контргайкой. Установите основной фильтр-патрон 7 в корпус воздухоочистителя, затем наденьте на шпильку прокладку, шайбу и закрепите фильтр-патрон гайкой. Аналогично установите второй комплект фильтр-патронов. Момент затяжки гаек 10 крепления фильтр-патронов 4... 8 Н/м (0,4 ... 0,8 кгс/м).
Установите в канавку корпуса воздухоочистителя уплотнительную прокладку 1, закройте корпус крышку 6, наденьте на каждую шпильку прокладку с шайбой и закрепите крышку 6 двумя рукоятками 5.
Установка воздухоочистителя
Установите на кронштейны дизеля воздухоочиститель тонкой очистки и закрепите его восемью гайками на болтах 4 (см. рис.20). Момент затяжки гаек — 35.... 55 Н/м (3,5. .. 5,5 кгс/м). Закрепите на патрубке подвода воздуха к турбокомпрессору хомутом 3 рукав от турбокомпрессора. Установите на горловину воздухоочистителя тонкой очистки мультициклон 11 (см. рис.21) в сборе с циклонами 12 и воздухозаборником 13 и закрепите его хомутом. Закрепите на патрубке 14 мультициклона резиновый шланг эжекционной трубы. Подсоедините трубку сигнализатора засоренности воздухоочистителя 16 к штуцеру на выходном патрубке 15 воздухоочистителя.
Сигнализатор засоренности воздухоочистителя Т-170
Степень засоренности фильтр-патронов определяется при работе дизеля на максимальной частоте вращения холостого хода с помощью сигнализатора засоренности, расположенного в кабине трактора. Сигнализатор включается нажатием на стержень, расположенный на верхнем торце корпуса.
Если при работе дизеля на максимальной частоте вращения холостого хода прозрачная часть корпуса сигнализатора полностью перекрыта красным поршнем, проведите техническое обслуживание воздухоочистителя. Если сигнализатор вышел из строя, отсоедините трубку сигнализатора от штуцера на выходном патрубке, воздухоочиститетеля и во избежание засасывания неочищенного воздуха вверните болт М12Х1,25 в отверстие штуцера.
