| # | Номенклатурный номер | Наименование детали | Кол-во |
| - | 50-74-185СП Блок управления топливным насосом 1 | 1 | |
| - | 64-74-125СП Блок управления топливным насосом 2 | 1 | |
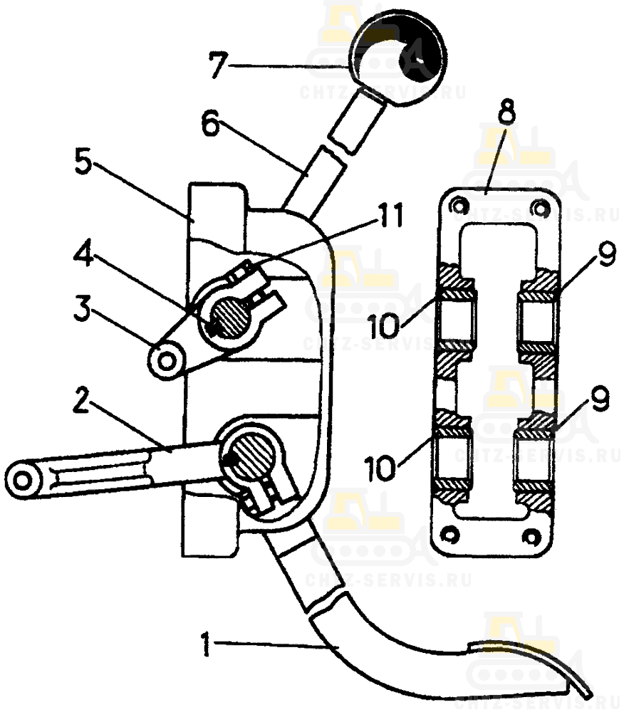
| 1 | 50-74-190СП Педаль 1 | 1 | |
| 1 | 64-74-120СП Педаль 2 | 1 | |
| 2 | 50-74-153 Рычаг | 1 | |
| 3 | 50-74-154 Рычаг | 1 | |
| 4 | 34126 Шпонка сегментная | 2 | |
| 4 | - | Шпонка 5×7,5 | 2 |
| 5 | 50-74-191СП Корпус | 1 | |
| 6 | 50-74-114СП Рычаг | 1 | |
| 7 | 13310СП Рукоятка | 1 | |
| 8 | 50-74-152 Корпус 3 | 1 | |
| 9 | 24-74-249-1 Втулка 3 | 2 | |
| 10 | 24-74-248-1 Втулка 3 | 2 | |
| 11 | - | Болт M8-6g×25.88.35.019 | 1 |
| 1 Для трактора с механической трансмиссией. 2 Для трактора с гидромеханической трансмиссией. 3 Входит в 50-74-191СП Корпус. | |||
