ДЭТ-250М2Б1 – бульдозер (рис. 1) с неповоротным полусферическим отвалом, с гидроперекосом отвала.
ДЭТ-250М2Б1Р1 – бульдозер (рис. 2) с неповоротным полусферическим отвалом, с гидроперекосом отвала и однозубым рыхлительным оборудованием.
Бульдозеры предназначены для эксплуатации во всех климатических зонах (при соответствующем исполнении).
Рис. 1 Бульдозер ДЭТ-250М2Б1
1-бульдозерное оборудование ДЭТ-250, 2-трактор
Рис. 2 Бульдозер ДЭТ-250М2Б1Р1
1-бульдозерное оборудование, 2-трактор, 3-рыхлительное оборудование ДЭТ-250
Технические данные ДЭТ-250М2Б1
| Базовый трактор | ДЭТ-250М2 |
| Тип отвала ДЭТ-250 | неповоротный полусферический |
| Ширина отвала, мм | 4250 |
| Высота отвала, мм | 1850 |
| Скорость подъема отвала, м/с, не менее | 0,25 |
| Основной угол резания, градус | 55 |
| Диапазон изменения угла резания, градус: | |
| минимальный угол, не более | 50 |
| максимальный угол, не менее | 60 |
| Максимальный угол поперечного перекоса отвала (в каждую сторону), градус, не менее | 10 |
| Объем призмы волочения (теоретический), м3, не менее | 10,5 |
| Подъем отвала над опорной поверхностью, мм, не менее | 1400 |
| Опускание отвала ниже опорной поверхности, мм, не менее | 370 |
| Эксплуатационная масса, кг | 37850 |
| Габаритные размеры в транспортном положении, мм, не более: | |
| длина | 7470 |
| ширина | 4250 |
| высота | 3210 |
| Вид рыхлителя ДЭТ-250 | четырехзвенный |
| Число зубьев рыхлителя, шт. | 1 |
| Максимальное заглубление зуба 749-98-141СП рыхлителя, мм, не менее | 1270 |
| Ширина наконечника зуба, мм, не более | 126 |
| Угол рыхления при крайнем нижнем положении зуба, градус, не более | 45 |
| Расстояние от наконечника зуба (в крайнем нижнем положении) до оси ведущей звездочки трактора, мм, не менее | 1900 |
| Задний угол въезда в транспортном положении (при непогруженных грунтозацепах), градус, не менее | 30 |
| Эксплуатационная масса, кг | 41850 |
| Габаритные размеры в транспортном положении, мм, не более: | |
| длина | 8740 |
| ширина | 4250 |
| высота | 3535 |
Устройство и принцип работы ДЭТ-250М2Б1
Описание конструкции базового трактора дано в «Техническом описании и инструкции по эксплуатации трактора ДЭТ-250М2».
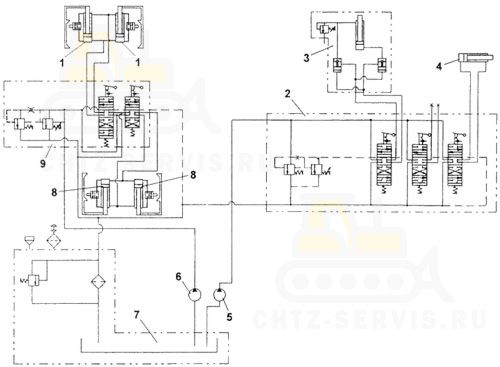
Рис. 3 Гидропривод. Принципиальная схема
1-гидроцилиндр подъема и опускания отвала бульдозера; 2, 9-гидрораспределитель; 3-гидроцилиндр перекоса 749-72-240СП отвала с гидрозамком и предохранительным клапаном; 4-гидроцилиндр изменения вылета зуба рыхлителя; 5-гидронасос; 6-гидронасос; 7-гидробак; 8-гидроцилиндр 749-72-189СП подъема и опускания рыхлителя
Принципиальная схема гидропривода базового трактора с элементами гидропривода, входящими в состав бульдозерного и рыхлительного оборудования, изображена на рис. 3.
Меры безопасности при эксплуатации бульдозера ДЭТ-250М2Б1
При эксплуатации, техническом обслуживании и проверке бульдозерного и рыхлительного оборудования соблюдать следующие требования безопасности:- к работе и управлению бульдозером допускаются лица, получившие специальную подготовку и право на управление бульдозером, прошедшие инструктаж по технике безопасности.
- работать на неисправном бульдозере запрещается.
- не хранить топливо, смазочные и обтирочные материалы на площадке для стоянки бульдозера.
- перед разработкой грунта получить сведения об отсутствии на площадке подземных коммуникаций.
- переезжать на новое место работы своим ходом только с поднятыми отвалом ДЭТ-250 и зубом рыхлителя.
- перед въездом на мост проверить по дорожным знакам, не превышает ли масса бульдозера допустимой нагрузки на сооружение, нет ли ограничений по габаритным размерам.
- не производить операции по разработке грунта на склонах (косогорах) с поперечным уклоном свыше 20°;
- не производить разработку грунта при продольном уклоне свыше 30°;
- не производить повороты при заглубленном отвале или зубе рыхлителя;
- при перемещении грунта на краю обрыва первыми ходами необходимо оставлять грунт перед краем обрыва и последующими ходами бульдозера сталкивать грунт, оставшийся после первых ходов, через край обрыва;
- не подтягивать гайки гидропривода, находящегося под давлением;
- не делать перекос при максимально поднятом или опущенном отвале.
При техническом обслуживании бульдозера:
- осмотр и устранение неисправностей, смазку и регулировку бульдозерного и рыхлительного оборудования, все работы по техническому обслуживанию производить при неработающем двигателе, заторможенной ходовой системе и опущенных на грунт отвале бульдозера и зубе рыхлителя;
- перед разборкой все составные части, которые могут прийти в движение под действием веса, привести в положение, обеспечивающее безопасное выполнение работ;
- не производить сварочные работы на трубопроводах, подсоединенных к гидравлическому приводу;
- не применять сжатый воздух при разборке гидросистемы;
- испытание и эксплуатацию гидравлических приводов и устройств проводить при соблюдении правил противопожарной безопасности;
- не применять удлинители к гаечным ключам, пользоваться только исправным инструментом.
- Грузить и сгружать бульдозер буксиром или своим ходом на железнодорожную платформу или трейлер по специальным въездам (уклон не более 15°), устанавливаемым с торца платформы или трейлера.
- Уступы (ступени) при въезде (съезде) не допускаются.
- При буксировании руководствоваться указаниями раздела «Транспортирование» «Технического описания и инструкции по эксплуатации трактора ДЭТ-250М2».
- Не допускать при погрузке бульдозера буксования и смещения бульдозера по отношению к оси железнодорожной платформы или платформы трейлера, что может привести к падению бульдозера.
- При монтаже (демонтаже) рабочего оборудования и погрузке его при транспортировании использовать грузоподъемное оборудование грузоподъемностью не менее 3,5 т.
- Рекомендуемые места строповки составных частей рабочего оборудования приведены ниже.
- Указания мер безопасности при работе на тракторе изложены в «Техническом описании и инструкции по эксплуатации трактора ДЭТ-250М2».
