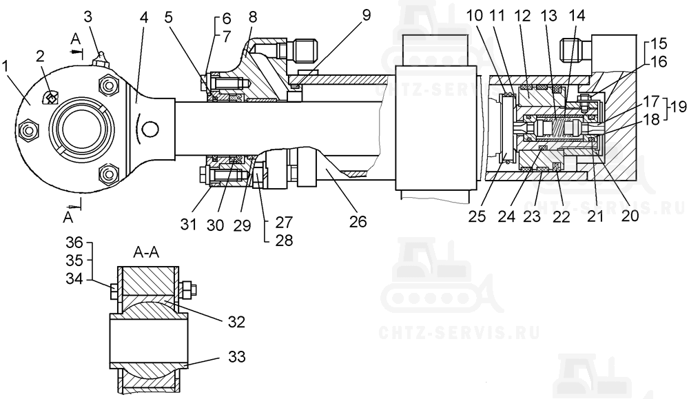
| Поз. | Номенклатурный номер | Наименование детали | Кол-во |
| – | 131-26-108-02СП Гидроцилиндр | 2 | |
| 1 | 50-26-882 Крышка | 2 | |
| 2 | – | Шпонка 3-8×7-20 | 2 |
| 3 | – | Масленка 1.3.Ц6 | 1 |
| 4 | 131-26-113СП Шток | 1 | |
| 5 | – | Грязесъемник Е50-А-063-5 | 1 |
| 6 | – | Болт М12-6g×30.58.019 | 4 |
| 7 | – | Шайба 12 ОТ 65Г 09 | 4 |
| 8 | 50-26-625СП Крышка | 1 | |
| 9 | – | Кольцо 095-100-30-2-2 | 1 |
| 10 | 700-58-2571 Кольцо пружинное | 1 | |
| 11 | 50-26-876 Втулка | 1 | |
| 12 | 50-26-878 Поршень | 1 | |
| 13 | 700-38-2879 Пружина | 1 | |
| 14 | 50-26-875 Проставка | 1 | |
| 15 | 700-35-2177 Винт | 1 | |
| 16 | 700-31-2584 Шайба стопорная | 1 | |
| 17 | 50-50-245 Клапан | 2 | |
| 18 | 50-26-724 Втулка | 2 | |
| 19 | 50-26-507СП Клапан | 2 | |
| 20 | 700-41-3663 Гайка | 1 | |
| 21 | – | Кольцо 024-030-36-2-2 | 2 |
| 22 | – | Уплотнение Е13М-100-5 | 1 |
| 23 | – | Кольцо Е21-100-12-3 | 2 |
| 24 | – | Кольцо 045-050-30-2-2 | 1 |
| 25 | 50-26-877 Палец | 1 | |
| 26 | 131-26-109-02СП Корпус | 1 | |
| 27 | – | Болт М16×1,5-6g×60.58.019 | 4 |
| 28 | – | Шайба 16 ОТ 65Г 09 | 4 |
| 29 | – | Кольцо Е22-63-30-2,5 | 1 |
| 30 | – | Манжета Е32-063-4 | 1 |
| 31 | 50-26-885-04 Фланец | 1 | |
| 32 | 50-26-884 Сухарь | 2 | |
| 33 | 50-26-883 Сфера | 1 | |
| 34 | – | Болт М10-6g×75.58.019 | 3 |
| 35 | – | Шайба 10 ОТ 65Г 09 | 3 |
| 36 | – | Гайка М10-6Н.6.019 | 3 |
