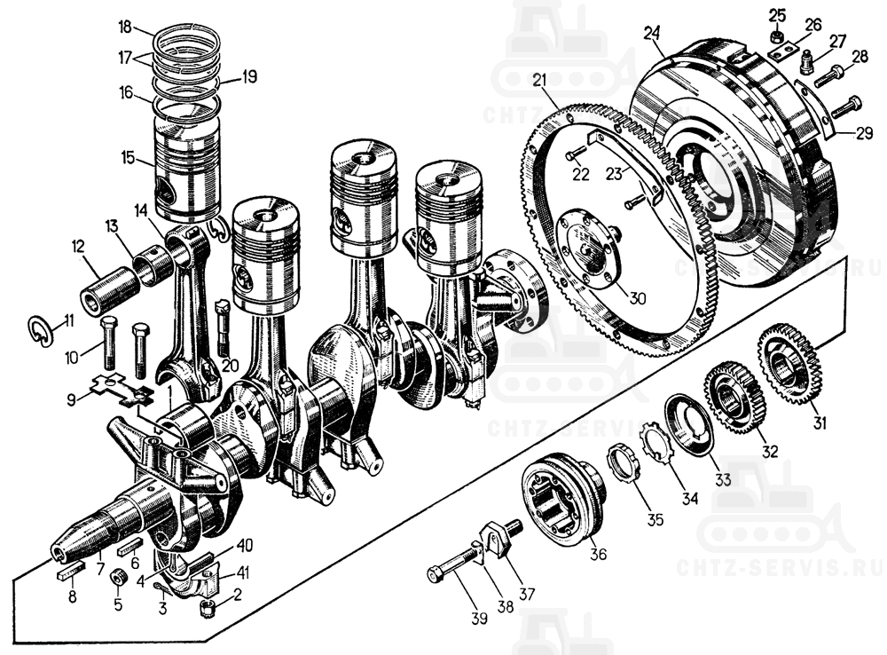
| # | Номенклатурный номер | Наименование детали | Кол-во |
| - | 16-03-111СП Маховик | 1 | |
| - | 16-03-114СП Шатун | 4 | |
| - | 16-03-115СП Шатун 2 | 4 | |
| - | 16-03-сб126 Вал коленчатый с комплектом коренных и шатунных вкладышей (запчасть) | 1 | |
| - | 51-03-115СП Комплект поршневых колец | 1 | |
| - | А20.06.000 Болт шатуна | 8 | |
| - | А23.01.100-160сбН1 | Комплект шатунных вкладышей 1-го нормального размера | 1 |
| - | А23.01.100-160сбН2 | Комплект шатунных вкладышей 2-го нормального размера | 1 |
| 1 | А23.01.10003А 5 | Вкладыш шатунного подшипника верхний | 4 |
| 1 | А23.01.10003А-01 6 | Вкладыш шатунного подшипника верхний | 4 |
| 2 | А20.01.001 Гайка 4 | 8 | |
| 3 | - | Шплинт 3,2X32 | 8 |
| 4 | - | Шплинт 4X40 | 4 |
| 5 | 03652 Заглушка | 4 | |
| 6 | 34106 Шпонка | 1 | |
| 7 | 16-03-1120КШСП Вал коленчатый | 1 | |
| 7 | 16-03-112СП Вал коленчатый 1 | 1 | |
| 7 | 16-03-1120КСП Вал коленчатый 1 | 1 | |
| 7 | 16-03-1120ШСП Вал коленчатый 1 | 1 | |
| 8 | 34107 Шпонка | 1 | |
| 9 | 700-31-2125 Пластина замковая | 4 | |
| 10 | 700-28-2130 Болт | 8 | |
| 11 | 03306 Замок | 8 | |
| 12 | 16-03-3 Палец поршневой | 4 | |
| 12 | 16-03-50 Палец поршневой 3 | 4 | |
| 13 | 03315 Втулка 3 | 4 | |
| 14 | 51-03-22 Шатун 2 | 4 | |
| 15 | 51-03-23 Поршень 3 | 4 | |
| 16 | А27.16.20.013 7 | Кольцо маслосъемное | 4 |
| 17 | А27.06.00.014 7 | Кольцо компрессионное нижнее | 8 |
| 18 | А27.06.02.101 7 | Кольцо компрессионное верхнее | 4 |
| 19 | А27.16.70.000 7 | Кольцо маслосъемное | 4 |
| 20 | А20.06.002 Болт шатунный 4 | 8 | |
| 21 | 03618-1 Венец маховика | 1 | |
| 22 | 28452 Болт | 10 | |
| 23 | 31334 Пластина замковая | 5 | |
| 24 | 16-03-30 Маховик | 1 | |
| 25 | 3011 Гайка | 6 | |
| 26 | 16-03-12 Пластина замковая | 3 | |
| 27 | 16-03-13 Сухарик | 6 | |
| 28 | 28504 Болт | 6 | |
| 29 | 31335 Пластина замковая | 3 | |
| 30 | 16-03-17 Цапфа | 1 | |
| 31 | 16-03-37 Шестерня | 1 | |
| 32 | 16-03-20 Шестерня | 1 | |
| 33 | 16-03-38 Шайба | 1 | |
| 34 | 16-03-49 Шайба | 1 | |
| 35 | 03323 Гайка | 1 | |
| 36 | 14-03-12 Шкив коленчатого вала | 1 | |
| 37 | 03709 Болт | 1 | |
| 38 | 31337 Пластина замковая | 1 | |
| 39 | 03331 Болт | 1 | |
| 40 | А23.01.10004А 5 | Вкладыш шатунного подшипника нижний | 4 |
| 40 | А23.01.10004А-01 6 | Вкладыш шатунного подшипника нижний | 4 |
| 41 | 16-03-43 Крышка шатуна 2 | 4 | |
| 1 Заказывать комплект 16-03-сб126. 2 Отдельно не поставляется, заказывать 16-03-114СП. 3 При необходимости заказывать ремонтные комплекты. 4 Поставляется комплект A20.06.000. 5 Заказывать комплект А23.01-100-160сбН1 при применении валов 16-03-1120КШСП, 16-03-1120ШСП. При перешлифовке валов заказывать ремонтные комплекты. 6 Заказывать комплект А23.01-100-160сбН2 при применении валов 16-03-112СП, 16-03-1120КСП. При перешлифовке валов заказывать ремонтные комплекты. 7 Входит в комплект 51-03-115СП, 51-03-115Р1СП. | |||
| см. Перечень деталей ремонтных размеров | |||
