Снятие маслопровода системы смазки коробки передач Т-170
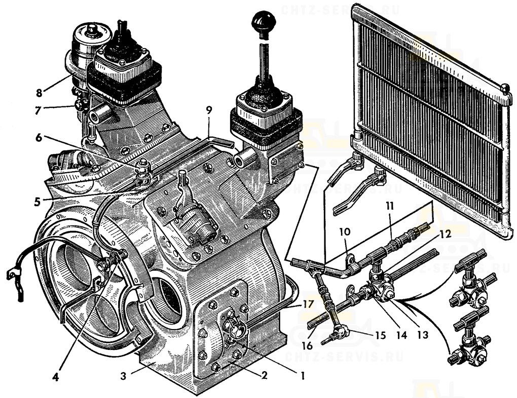
Снимите сиденье вместе с основанием. Отсоедините электропровод от датчика давления масла коробки передач 50-12-12сп и выверните датчик из переходного штуцера 6 ( рис. 218 ).
Выверните штуцер 4 и переходной штуцер 6. Снимите трубу 9 со штуцера 5. Выверните штуцер 15 (снизу, трактора) подвода масла к нижнему валу 24-12-105СП коробки передач 3. Выверните болт и снимите планку 10, отверните гайку 12 и ослабьте хомут 11 резинового шланга. Снимите трубу 9 с трактора. Выверните штуцер 1 и 7, отверните болт крепления хомута трубы 17 к корпусу коробки передач и снимите трубу с трактора. Выверните штуцер трубы 16 отвода масла от фильтра 8 коробки передач и гайку 14 от крана 13 и снимите трубу. Снимайте резиновые шланги с масляных труб только при их замене.
Установка маслопровода системы смазки коробки передач Т-170
Установите трубу 9 на штуцер 5, заведите конец трубы в резиновый шланг и затяните хомут 11. Заверните гайку 12. Подсоедините трубу 9 к крышке, нижнего вала штуцером 15 с медными прокладками. Подсоедините трубу 17 к масляному насосу 50-60-200СП 2 и к фильтру 8 штуцерами 1 и 7 с медными прокладками, закрепите хомутом на корпусе коробки передач. Подсоедините трубу 16 к крану 13, завернув гайку 14, и штуцером с медными прокладками к фильтру 8. Установите планку 10 и закрепите болтом. Наденьте на штуцер 5 медные прокладки и наверните переходной штуцер 6. Подсоедините трубу 9 штуцером 4 с медными прокладками к корпусу бортовых фрикционов. Вверните датчик давления масла в переходной штуцер 6 и подсоедините электропровод. Установите сиденье вместе с основанием.
