Основные конструктивные отличия от двигателя П-23:
- механизм проворачивания вала двигателя расположен на стенке блока;
- изменена конструкция корпуса распределительных шестерен;
- введено дистанционное управление запуском двигателя из кабины.
Снять и заменить некоторые узлы и детали пускового двигателя можно, не снимая его с дизеля, непосредственно на тракторе. Снять отдельно можно воздухоочиститель 17-05-184СП, карбюратор, впускной и выпускной коллекторы, головку цилиндров 02240, кронштейн с толкателями клапанов и клапаны, магнето, механизм проворачивания вала, регулятор, корпус распределительных шестерен. Муфту механизма включения 72118СП, шестерню включения и толкатель с пружинами можно снять и заменить также на тракторе, предварительно сняв верхнюю половину кожуха муфты сцепления трактора. При разборке блока, муфты сцепления и редуктора пусковой двигатель снимите с дизеля.
Перед снятием пускового двигателя (см. рис. 98) убедитесь в том, что шестерня включения выведена из зацепления с венцом маховика дизеля. Для этого выключите зажигание, включите муфту сцепления и редуктор. Проверните заводной рукояткой коленчатый вал 17-03-26сп пускового двигателя и убедитесь, что вентилятор дизеля не вращается, а значит шестерня выведена из зацепления.
При невозможности вывести из зацепления шестерню включения пуском дизеля, откройте люк верхней половины кожуха муфты сцепления дизеля, сожмите концы защелок муфты включения и выведите из зацепления шестерню.
Снятие пускового двигателя П-23У
Снять и заменить некоторые узлы и детали пускового двигателя можно, не снимая его с дизеля, непосредственно на тракторе. Снять отдельно можно воздухоочиститель, карбюратор, впускной и выпускной коллекторы, головку цилиндров, кронштейн с толкателями клапанов и клапаны, магнето, механизм проворачивания вала, регулятор, корпус распределительных шестерен. Муфту механизма включения, шестерню включения и толкатель с пружинами можно снять и заменить также на тракторе, предварительно сняв верхнюю половину кожуха муфты сцепления трактора. При разборке блока, муфты сцепления и редуктора пусковой двигатель снимите с дизеля.
Перед снятием пускового двигателя (см. рис. 98) убедитесь в том, что шестерня включения выведена из зацепления с венцом маховика дизеля. Для этого выключите зажигание, включите муфту сцепления и редуктор. Проверните заводной рукояткой коленчатый вал пускового двигателя и убедитесь, что вентилятор дизеля не вращается, а значит шестерня выведена из зацепления.
При невозможности вывести из зацепления шестерню включения пуском дизеля, откройте люк верхней половины кожуха муфты сцепления дизеля, сожмите концы защелок муфты включения и выведите из зацепления шестерню.
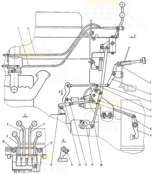
Снятие. Слейте охлаждающую жидкость из системы охлаждения дизеля и масло из поддона 17-01-110 пускового двигателя. Закройте краник бензобачка. Снимите воздухозаборник и заднюю крышу капота. Отсоедините от карбюратора топливную трубку, тросики управления заслонками, тягу регулятора. Отсоедините тяги от рычагов управления муфтой 4 сцепления, редуктора 3 и стартера 5. Снимите рычаги муфты сцепления и редуктора. Выверните четыре болта и снимите кронштейн с валиком 7 заводной рукоятки. Отсоедините впускной и выпускной коллекторы пускового двигателя 6 от выпускного коллектора дизеля.
Отсоедините резиновый шланг сигнализатора засоренности от воздухоочистителя дизеля. Ослабьте хомут на рукаве патрубка воздухоочистителя дизеля. Отверните восемь гаек с болтов кронштейнов воздухоочистителя и снимите его с дизеля. Снимите правый кронштейн воздухоочистителя и трубу, соединяющую турбокомпрессор с выпускным коллектором дизеля, вывернув четыре болта крепления верхнего и четыре болта крепления нижнего патрубков. Выверните четыре болта крепления водоотводящей трубы из головок цилиндров дизеля и два болта крепления из головок цилиндров пускового двигателя. Снимите водоотводящую трубу. Выверните четыре болта крепления водоподводящей трубы из блока пускового двигателя и два болта крепления из блока дизеля. Снимите трубу.
Отсоедините от турбокомпрессора трубку подвода масла, провод датчика указателя давления масла и сливную трубку. Отверните две гайки крепления к головке цилиндров заднего кронштейна воздухоочистителя дизеля, гайку крепления коллекторов дизеля и снимите кронштейн.
Застропите турбокомпрессор с выпускным коллектором и выпускной трубой, отверните три гайки крепления коллекторов и снимите турбокомпрессор. Снимите впускной коллектор с выхлопной трубой пускового двигателя.
Застропите пусковой двигатель как показано на рис. 99.
Выверните двенадцать болтов 2 (см. рис. 98) крепления к блоку дизеля (болт 1 — призонный) и два болта крепления к кожуху маховика. Выведите шестерню включения из кожуха маховика, поднимите двигатель над лонжероном трактора и снимите двигатель с трактора. Масса пускового двигателя 206 кг.
Установка пускового двигателя П-23У
Смажьте лаком «Герметик» привалочную поверхность блока дизеля и приклейте про кладку. Установите шестерню включения в выключенное положение. Застропите пусковой двигатель. Заведите двигатель шестерней включения в отверстие кожуха маховика. Зазор между кожухом маховика и редуктором 17-76-10СП пускового двигателя устраните регулировочными прокладками. Совместим крепежные отверстия блока дизеля с отверстиями в пусковом двигателе и вверните призонный болт 1 в блок. Закрепите пусковой двигатель призонный болтом, одиннадцатью болтами 2 к блоку дизеля и двумя болтами к кожуху маховика. Боковой зазор между зубьями шестерни включения и венца маховика должен быть равен 0,2...1 мм. Установите впускной коллектор с выхлопной трубой пускового двигателя и кронштейном воздухоочистителя. Установите на дизель турбокомпрессор с выхлопной трубой и выпускным коллектором. Закрепите коллекторы на трех шпильках гайками с прижимными планками. Установите задний кронштейн воздухоочистителя, закрепите его на шпильках головки дизеля двумя гайками и одной гайкой на шпильке крепления коллекторов.
Подсоедините к турбокомпрессору трубку подвода масла и провод датчика указателя давления, сливную трубку. Закрепите водоотводящий патрубок двумя болтами к головке цилиндров пускового двигателя и четырьмя болтами к головкам цилиндров дизеля. Закрепите водоподводящий патрубок к блоку пускового двигателя четырьмя болтами и двумя болтами к блоку дизеля. Закрепите восемью болтами нагнетательную трубу верхним патрубком на турбокомпрессоре, нижним патрубком с кронштейном воздухоочистителя дизеля на впускном коллекторе дизеля. Установите воздухоочиститель дизеля на кронштейны, вставьте выходной патрубок в рукав на турбокомпрессоре и закрепите воздухоочиститель на кронштейнах восемью болтами с пружинными шайбами и гайками. Затяните хомут на выходном патрубке и наденьте резиновый шланг сигнализатора засоренности на трубку воздухоочистителя. Закрепите двумя болтами коллектор пускового двигателя к впускному коллектору дизеля. Закрепите двумя гайками на шпильках крепления коллекторов дизеля воздухоочиститель пускового двигателя с кронштейном. Соедините рукавом карбюратор с воздухоочистителем и закрепите рукав хомутом.
Установите на выпускной коллектор дизеля валик 7 заводной рукоятки с кронштейном и закрепите четырьмя болтами. Подсоедините к карбюратору топливную трубку и тягу регулятора.
Установка тяг управления П-23У
Установите рукоятки А и С мостика управления (рис. 100) в верхнее переднее положение.
Установите рычаги 11 редуктора муфты сцепления на свои места и закрепите стяжными болтами. Поверните рычаг 14 муфты сцепления против часовой стрелки до упора. Установите рычагом 11 шестерни редуктора в положение ускоренной передачи. Вверните в рычаг 14 шаровой наконечник в сборе с тягой 15. Отрегулируйте длину тяги до совмещения проушины с отверстием рычага мостика управления. Соедините тягу с рычагом пальцем. Зашплинтуйте палец и застопорите тягу гайкой 12.
Вращением тяги 10 совместите отверстия рычага 11 редуктора и тяги. Соедините тягу с рычагом пальцем. Зашплинтуйте палец и застопорите тягу гайкой 7. Присоедините к рычагу 13 стартера тягу 5. Поверните рычаг 4 до касания в упор 3. Отрегулируйте длину тяги 5 до совпадения отверстий в тяге и рычаге 4. Соедините тягу с рычагом пальцем. Зашплинтуйте палец и застопорите тягу гайкой 6. Присоедините к карбюратору 17-05-185сп тросики управления воздушной 2 и дроссельной 1 заслонками, обеспечив полное открытие и закрытие заслонок при перемещении ручек 16 и 17.
Убедитесь в правильном положении рычага 9 включения пусковой шестерни. При поставленной в переднее положение рукоятке В мостика управления рычаг включения должен касаться пятки муфты включения редуктора. Регулируйте положение рычага изменением длины тяги 8.
Установите заднюю крышу капота и воздухозаборник. Залейте в радиатор дизеля охлаждающую жидкость, а в поддон пускового двигателя — моторное масло.
