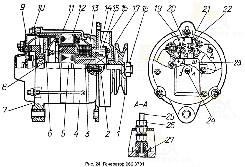
На дизеле устанавливается генератор (рис. 24) мощностью 1000 Вт и напряжением 28В, датчики давления топлива, давления масла и температуры охлаждающей жидкости.
2 - винт М5х9,5;
3 - втулка ротора;
4 - крышка передняя;
5 - ротор;
6 - блок выпрямительный;
7 - крышка задняя;
8 - шарикоподшипник 8 - 180502К1С9;
9 - крышка регулирующего устройства;
10 - гайка М5;
11 - болт стяжной;
12 - статор;
13 - катушка возбуждения;
14 - винт М5х25;
15 - крышка подшипника;
16 - вентилятор;
17 - подшипник 6 - 180603К4С9;
18 - гайка М14;
19 - выход нулевой точки;
20 - конец обмотки возбуждения;
21 - начало обмотки возбуждения;
22 - вывод дополнительных диодов;
23 - регулятор напряжения 2412.3702;
24 - винт сезонной регулировки;
25 - болт М4х33;
26 - гайка М4;
27 - изолятор фазный
Генератор — бесконтактная пятифазная электрическая машина с односторонним электромагнитным возбуждением, встроенным полупроводниковым выпрямителем и регулятором напряжения на интегральных схемах. Привод ременный от шкива вентилятора.
На задней крышке генератора имеются выводы (клеммы):
- «+» - для подключения аккумуляторных батарей и нагрузки;
- «Д» - для подсоединения реле блокировки генератора при пуске дизеля стартером и счетчика времени наработки.
Для обеспечения нормальной работы генератора при эксплуатации в разное время года на задней крышке также находится переключатель посезонной регулировки регулятора напряжения.
Регулятор напряжения, встроенный в генератор, предназначен для автоматического поддержания напряжения генератора в заданных пределах независимо от частоты вращения якоря генератора.
Стартер 251.3708 (рис. 25) установлен для запуска дизеля с электростартерной системой пуска (ЭССП). Стартер представляет собой электродвигатель постоянного тока с принудительным вводом шестерни привода в зацепление с маховиком и самовыключением шестерни после пуска дизеля.
2 - пружина;
3 - щетка неизолированная;
4 - крышка коллектора;
5 - коллектор;
6 - болт стяжной;
7 - шина соединительная;
8 - реле тяговое;
9 - якорь реле;
10 - кожух;
11 - рычаг;
12 - ось рычага;
13 - болт подсоединения аккумуляторной батареи;
14 - клемма подсоединения тягового реле к выключателю ВК862Б;
15 - болты крепления тягового реле;
16 - шестерня;
17 - привод стартера;
18 - крышка привода;
19 - корпус привода;
20 - корпус стартера;
21 - якорь стартера;
22 - полюс
Для ввода шестерни в зацепление с венцом маховика и включения цепи питания стартера служит электромагнитное тяговое реле, а для автоматического выключения шестерни (после пуска) применяется привод с муфтой свободного хода.
Стартер устанавливается на кронштейне 3 (рис. 26), укрепленном на кожухе маховика, фиксируется штифтом 5 и крепится к кронштейну двумя ленточными хомутами 2. При установке стартера на дизель выдерживать расстояние между привалочной плоскостью стартера и торцом зубчатого венца маховика (обращенным к стартеру), равное 46(0,14±0,671) мм и регулируемое прокладками 6. Управление стартером дистанционное.
2 - хомут;
3 - кронштейн;
4 - болт;
5 - штифт;
6 - прокладка;
7 - втулка;
8 - болт стяжной
Электрооборудование пускового двигателя Д180
2 - вал якоря;
3 - шестерня привода;
4 - корпус якоря;
5 - кожух коллектора;
6 - болт контактный;
7 - болт выводной к аккумуляторной батарее;
8 - кожух тягового реле;
9 - вывод обмоток реле;
10 - вывод обмотки удерживающей
Стартер 42.3708 (рис. 27) представляет собой электродвигатель постоянного тока (12В), с принудительным электромеханическим вводом шестерни привода в зацеплении с зубчатым венцом маховика пускового двигателя. Управление стартером дистанционное.
2 - контакт неподвижный;
3 - стойка;
4 - контакт подвижный;
5 - эксцентрик;
6 - фильц;
7 - втулка кулачка прерывателя;
8 - паз;
9 - собачкодержатель;
10 - трансформатор;
11 - конденсатор;
12 - дополнительный вывод высокого напряжения;
13 - крышка экрана;
14 - экран;
15 - бегунок;
16 - крышка распределителя;
18 - крышка корпуса магнето;
19 - ротор;
20 - корпус магнето;
21 - ускоритель пусковой;
22 - пружина спиральная
Магнето (рис. 28) левого вращения двухискровое с пусковым ускорителем, трехвыводное. Два вывода подключаются к свечам зажигания. К третьему дополнительному выводу можно подключить свечу предпускового подогревателя воздуха. Магнето имеет клемму для дистанционного выключения зажигания.
Свечи зажигания искровые неразборные с керамической изоляцией предназначены для зажигания рабочей смеси в цилиндрах пускового двигателя с помощью искрового разряда между электродами свечи.
Контрольные приборы Д180
Для контроля за работой дизеля установить следующие контрольные приборы:
- приемники указателя давления УК-170 с датчиком ММ-370 (Д180.000), УК-140 с датчиком ММ-358 (Д180.100) для измерения давления масла в системе смазки дизеля;
- приемник указателя температуры УК-143 с датчиком ТМ100-В для измерения температуры охлаждающей жидкости;
- датчик сигнализатора засоренности воздухоочистителя;
- счетчик времени наработки СВН-2-02 Ж.
