Разборка блок-картера П-23У
Снимите пусковой двигатель. Снимите с пускового двигателя регулятор, магнето, карбюратор, механизм проворачивания, корпус распределительных шестерен с кронштейном магнето, муфту сцепления 17-73-7СП в сборе с редуктором, головку цилиндров, кронштейн толкателей, распределительный валик, маховик, маслоотражательную шайбу.
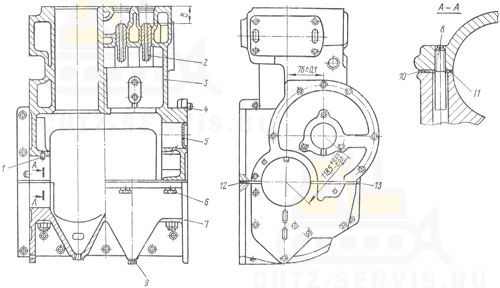
Отверните четыре болта 6 ( рис. 132 ) и гайки с четырех шпилек 8 крепления поддона 17-01-110. Снимите поддон 7, коленчатый вал и поршни с шатунами. Пометьте и сохраните стальные дистанционные шайбы 11 (толщиной 0,5 мм) на шпильках крепления поддона для того, чтобы при сборке они были установлены на свои шпильки.
Удалите клапаны из втулок блока 3.
Технические требования на блок-картер П-23У
- Блок-картер и поддон с установленными между ними дистанционными стальными шайбами на длинных шпильках обрабатываются в сборе. Не разукомплектовывайте их.
- Диаметр цилиндров 92 мм. Цилиндры по диаметру разбиты на четыре, размерные группы, соответствующие размерным группам поршней 03349-1 и обеспечивающие нормальный зазор в сопряжении цилиндр — поршень. Обозначение группы выбито на верхней плоскости блока. Цилиндры на размерные группы сортируются по наименьшему диаметру.
- Овальность и конусообразность цилиндра не более 0,02 мм, допустимые значения не более 0,03 мм. При увеличении овальности до 0,08 мм или конусообразности до 0,13 мм, а также износ более 0,2 мм цилиндр перешлифуйте на ремонтный размер с разбивкой на четыре размерные группы под ремонтные поршни согласно табл.
- Диаметр отверстий под коленчатый вал 03341 равен 100 мм Овальность и конусообразность отверстий под коленчатый вал не более 0,017 мм на длине 40 мм, допустимые значения — 0,03 мм.
- Зазор между отверстием блок-картера и корпусом переднего шарикоподшипника коленчатого вала 0...0,057 мм, допустимый зазор 0,08 мм, предельный зазор 0,15 мм. Зазор между отверстием блок-картера и задним шарикоподшипником 0...0,05 мм, допустимый зазор 0,070 мм, предельный зазор 0,15 мм.
- Диаметр отверстия под распределительный валик равен 48 мм. Зазор между шейкой распределительного валика и отверстием блок-картера 17-01-164СП 0,05...0,11 мм, допустимый зазор 0,17 мм, предельный зазор 0,3 мм.
- Допускается ремонт отверстия под распределительный валик запрессовкой бронзйвых или чугунных втулок толщиной 2,5...3 мм. После запрессовки втулки обработайте под размер шеек распределительного валика.
- Допускается ремонт отверстий цилиндров запрессовкой в цилиндры с натягом 0,05...0,1 мм чугунных гильз толщиной 2,5 мм. Гильзу запрессовывайте так, чтобы она не выступала на верхнюю и нижнюю плоскость цилиндра.
- Неперпендикулярность оси отверстия цилиндра относительно оси отверстий под коленчатый вал не более 0,1 мм на длине 330 мм.
- Неперпендикулярность осей отверстий под коленчатый вал и распределительный валик относительно привалочных поверхностей блок-картера не более 0,16 мм.
- Диаметр отверстия блок-картера под направляющую втулку 01504 клапана 19 мм. Натяг между отверстием и втулкой клапана 0,005...0,041 мм, допустимый натяг не менее 0,003 мм.
- Рабочие фаски посадочных гнезд клапанов при повреждениях обработайте, выдерживая угол фаски 45°±15. Ширина рабочей фаски для впускного клапана равна 2,8...3,2 мм, для выпускного — 2,1...2,5мм. Биение поверхности фаски относительно оси отверстия направляющей втулки не более 0,05 мм. Посадочное гнездо клапана в блок-картере притирайте до появления на рабочей фаске непрерывной матовой полоски шириной не менее 0,5 мм и не более 2 мм.
- Герметичность прилегания тарелки клапана к седлу проверяйте керосином в течение 3 мин. Появление капель керосина из-под тарелок при повороте клапана на любой угол не допускается. Герметичность можно проверять пневматическим приспособлением при давлении воздуха 40...60 кПа (0,4...0,6 кгс/см²). Пропуск воздуха не допускается.
- После притирки клапанов блок-картер промойте в течение 3...5 мин при температуре моечного раствора 333...353 К (60...80°С).
- Выступание установочного штифта корпуса переднего шарикоподшипника коленчатого вала должно быть 5 мм. Выступание установочных штифтов относительно привалочных поверхностей блок-картера должно быть (8±1) мм. Диаметр отверстия под штифт С 8 мм. Посадка штифта С в блок от зазора 0,009 мм до натяга 0,028 мм. Диаметр отверстий под остальные штифты мм. Посадка штифтов в блок с натягом 0,006...0,064 мм.
- Блок цилиндров испытайте давлением воды 0,35...0,45 МПа (3,5...4,5 кгс/см²) в течение 3 мин. Просачивание воды через стенки цилиндра и водяной рубашки не допускается.
| Обозначение размерной группы | Диаметр цилиндра, мм | Зазоры между поршнем и цилиндром, мм | ||
| номинальный | допустимый | предельный | ||
| А | 92+0,01 | 0,160...0,185 | ||
| Б | 92±0,02 | 0,155...0,180 | ||
| В | 92±0,035 | 0,150...0,180 | 0,26 | 0,4 |
| Г | 92±0,050 | 0,160...0,185 | ||
| Обозначение размерной группы | Ремонтный размер цилиндра, мм | |
| под поршень 03349P1-II | под поршень 03349P2-I и 03349P2-II | |
| А | 92,75±0,01 | 93,5±0,01 |
| Б | 92,75±0,02 | 93,5±0,02 |
| В | 92,75±0,035 | 93,5±0,035 |
| Г | 92,75±0,050 | 93,5±0,050 |
Сборка блок-картера П-23У
Запрессуйте установочный штифт 1 ( см. рис. 132 ) и по два штифта 4 в переднюю и заднюю плоскости блока. В отверстие под распределительный валик запрессуйте заглушку 5. Запрессуйте оправкой направляющие втулки 2 клапанов, выдержав размер В = (30±1,05) мм. При необходимости обработайте посадочные гнезда клапанов. Притрите клапаны до появления сплошной матовой полоски на рабочей фаске гнезд шириной не менее 0,5 мм и не более 2 мм. Выньте клапаны из блока. Промойте блок и клапаны керосином. Установите клапаны с пружинами в блок и проверьте плотность прилегания их к гнездам.
Установите блок на поверхность под головку цилиндров. Подберите поршни с шатунами соответственно цилиндрам. Смажьте моторным маслом поршни и при помощи конической оправки вставьте в цилиндры.
Установите коленчатый вал в блок так, чтобы корпус переднего шарикоподшипника сел своим отверстием на установочный штифт 1 блока. Смажьте моторным маслом шейки коленчатого вала. Присоедините шатуны к коленчатому валу. Наденьте на четыре шпильки 8 крепления поддона дистанционные стальные шайбы II, каждую на свою шпильку по нанесенным при разборке меткам. Установите на шпильки три пробковые прокладки 10, 12 и 13, затем поддон 7. Прокладки не должны выступать или утопать относительно поверхностей блок-картера. Закрепите поддон на шпильках гайками и болтами 6 с пружинными шайбами. Момент затяжки гаек 68,6...88,2 Н-м (7...9 кгс-м). Несовпадение плоскостей поддона и блока должно быть не более 0,05 мм. Вверните две сливные пробки 9 в поддон. Установите прокладку, маслоотражательную шайбу (надписью НИЗ обращенной к поддону) на шейку коленчатого вала и закрепите ее четырьмя болтами с замковыми пластинами к блоку и поддону. Установите маховик, муфту сцепления в сборе с редуктором, распределительный валик, кронштейн толкателей, головку цилиндров, корпус распределительных шестерен в сборе с кронштейном магнето и регулятором, магнето.
