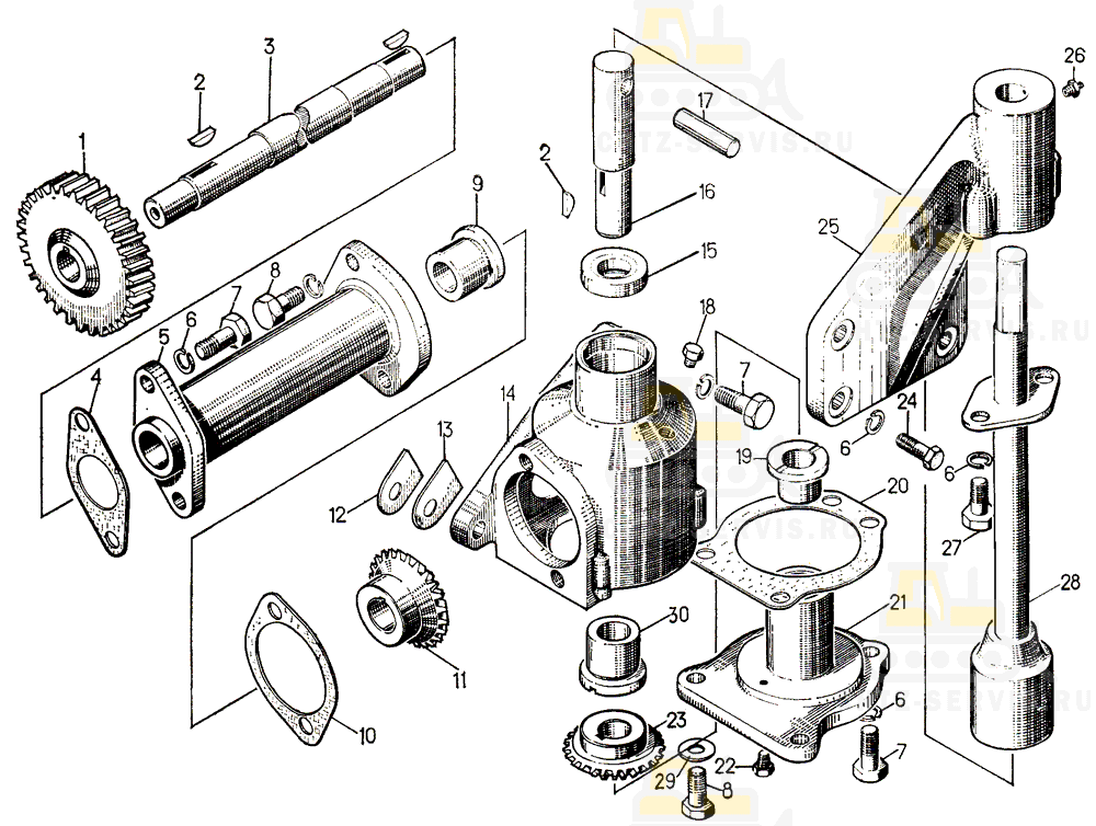
| # | Номенклатурный номер | Наименование детали | Кол-во |
| — | 16-74-1СП | Устройство ручного запуска | 1 |
| — | 17-74-197СП Корпус | 1 | |
| — | 17-74-198СП Кронштейн | 1 | |
| 1 | 17-01-22 Шестерня | 1 | |
| 2 | 34126 Шпонка | 4 | |
| 3 | 17-74-257 Валик | 1 | |
| 4 | 700-40-6763 Прокладка | 1 | |
| 5 | 17-74-284 Кронштейн | 1 | |
| 6 | — | Шайба 10ОТ 65Г 09 | 6 |
| 7 | — | Болт M10×25.58.019 | 4 |
| 8 | — | Болт M10×20.58.019 | 1 |
| 9 | 74119-1 Втулка | 1 | |
| 10 | 40957 Прокладка | 1 | |
| 11 | 74116 Шестерня | 1 | |
| 12 | 700-40-3110 Прокладка | 1 | |
| 13 | 700-40-3109 Прокладка | 10 | |
| 14 | 17-74-280 Корпус | 1 | |
| 15 | 40251СП Сальник | 1 | |
| 16 | 17-74-282 Валик | 1 | |
| 17 | 74124 Палец | 1 | |
| 18 | 371 | Пробка КГ ¼" | 1 |
| 19 | 74121-1 Втулка | 1 | |
| 20 | 40956 Прокладка | 1 | |
| 21 | 74120 Опора | 1 | |
| 22 | 375 | Пробка КГ 1/8" | 1 |
| 23 | 74123 Шестерня | 1 | |
| 24 | — | Болт M10×30.58.019 | 4 |
| 25 | 51-74-1 Кронштейн | 1 | |
| 26 | — | Масленка 1.3.Ц6 | 1 |
| 27 | — | Болт M10×22.58.019 | 2 |
| 28 | 16-74-101СП Валик | 1 | |
| 29 | 31437 Шайба | 1 | |
| 30 | 17-74-283 Втулка | 1 | |
