Дизель состоит из корпусных деталей (блока, картера, кожухов маховика и шестерен распределения), кривошипно-шатунного механизма, механизма газораспределения, систем питания, охлаждения, смазки, электрооборудования и пусковых устройств. Устройство дизеля показано на рис. 1, 2, 3, 4. Кинематическая схема на рис.6.
Рис. 1. Дизель Д180 (вид со стороны электростартера)
1 - электростартер;
2, 4 - сливные пробки;
3 - блок;
5 - кожух шестерен распределения;
6 - опора передняя;
7 - водяной насос;
8 - вентилятор;
9 - воздухоочиститель;
10 - воздухозаборник;
11 - мультициклон;
12 - труба эжекционная;
13 - турбокомпрессор;
14 - глушитель;
15 - труба слива топлива из форсунок;
16 - выхлопная труба;
17 - управление декомпрессором;
18 - кожух маховика;
19 - пробка кожуха маховика
2, 4 - сливные пробки;
3 - блок;
5 - кожух шестерен распределения;
6 - опора передняя;
7 - водяной насос;
8 - вентилятор;
9 - воздухоочиститель;
10 - воздухозаборник;
11 - мультициклон;
12 - труба эжекционная;
13 - турбокомпрессор;
14 - глушитель;
15 - труба слива топлива из форсунок;
16 - выхлопная труба;
17 - управление декомпрессором;
18 - кожух маховика;
19 - пробка кожуха маховика
Рис. 2. Дизель Д180 (вид со стороны пускового двигателя)
1 - двигатель пусковой;
2 - механизм проворачивания;
3 - коллектор выпускной;
4 - управление двигателем;
5 - коллектор впускной
2 - механизм проворачивания;
3 - коллектор выпускной;
4 - управление двигателем;
5 - коллектор впускной
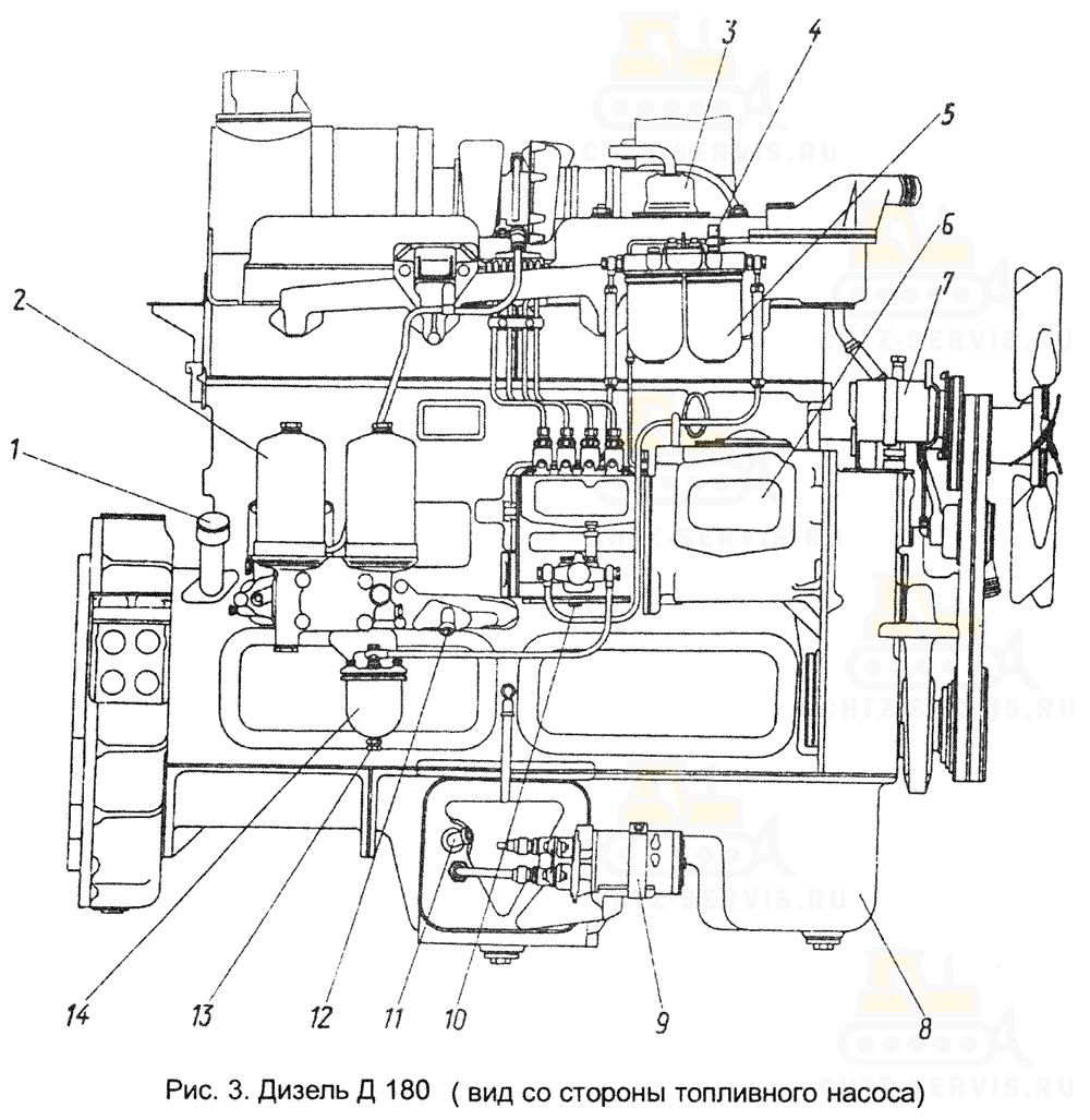
Рис. 3. Дизель Д180 (вид со стороны топливного насоса)
1 - горловина заливная;
2 - фильтр масляный;
3 - сапун;
4 - клапан продувочный;
5 - фильтр тонкой очистки топлива;
6 - топливный насос с регулятором;
7 - генератор;
8 - картер;
9 - установка маслозакачивающего насоса;
10, 13 - пробки сливных отверстий;
11 - подвод масла от масляного радиатора;
12 - отвод масла к масляному радиатору;
14 - фильтр грубой очистки топлива
2 - фильтр масляный;
3 - сапун;
4 - клапан продувочный;
5 - фильтр тонкой очистки топлива;
6 - топливный насос с регулятором;
7 - генератор;
8 - картер;
9 - установка маслозакачивающего насоса;
10, 13 - пробки сливных отверстий;
11 - подвод масла от масляного радиатора;
12 - отвод масла к масляному радиатору;
14 - фильтр грубой очистки топлива
Рис. 4. Дизель Д180 (продольный разрез)
1 - шкив коленчатого вала;
2 - сальник;
3 - кронштейн вентилятора;
4, 5 - масленки;
6 - винт натяжения ремней;
7 - головка цилиндров;
8 - колпак;
9 - клапан выпускной;
10 - клапан впускной;
11 - гильза цилиндров;
12 - поршень;
13 - крышка;
14 - указатель;
15 - маховик;
16 - кожух маховика;
17 - масло - приемник задний;
18 - шатун;
19 - маслоприемник центральный;
20 - механизм уравновешивающий;
21 - маслоприемник передний
2 - сальник;
3 - кронштейн вентилятора;
4, 5 - масленки;
6 - винт натяжения ремней;
7 - головка цилиндров;
8 - колпак;
9 - клапан выпускной;
10 - клапан впускной;
11 - гильза цилиндров;
12 - поршень;
13 - крышка;
14 - указатель;
15 - маховик;
16 - кожух маховика;
17 - масло - приемник задний;
18 - шатун;
19 - маслоприемник центральный;
20 - механизм уравновешивающий;
21 - маслоприемник передний
Рис. 6 Кинематическая схема дизеля Д180
1 - кожух шестерен распределения;
2 - вентилятор;
3 - механизм уравновешивающий;
4 - регулятор;
5 - насос топливный;
6 - насос масляный;
7 - дизель;
8 - редуктор пускового двигателя;
9 - муфта сцепления пускового двигателя;
10 - двигатель пусковой;
11 - механизм проворачивания вала пускового двигателя;
12 - кожух шестерен распределения пускового двигателя;
13 - регулятор пускового двигателя;
14 - шестерня привода уравновешивающего механизма;
15 - шестерня привода масляного насоса;
16 - колесо зубчатое (малое);
17 - шестерня привода насоса гидросистемы управления трактором;
18 - колесо зубчатое вала механизма газораспределения;
19 - шестерня привода к топливному насосу;
20 - колесозубчатое(большое);
21 - шестерня привода насоса системы охлаждения;
22 - шестерня промежуточная (большая);
23 - шестерня привода насоса НШ100А - 3Л;
24 - шестерня коленчатого вала (малая);
25 - шестерня коленчатого вала (большая)
2 - вентилятор;
3 - механизм уравновешивающий;
4 - регулятор;
5 - насос топливный;
6 - насос масляный;
7 - дизель;
8 - редуктор пускового двигателя;
9 - муфта сцепления пускового двигателя;
10 - двигатель пусковой;
11 - механизм проворачивания вала пускового двигателя;
12 - кожух шестерен распределения пускового двигателя;
13 - регулятор пускового двигателя;
14 - шестерня привода уравновешивающего механизма;
15 - шестерня привода масляного насоса;
16 - колесо зубчатое (малое);
17 - шестерня привода насоса гидросистемы управления трактором;
18 - колесо зубчатое вала механизма газораспределения;
19 - шестерня привода к топливному насосу;
20 - колесозубчатое(большое);
21 - шестерня привода насоса системы охлаждения;
22 - шестерня промежуточная (большая);
23 - шестерня привода насоса НШ100А - 3Л;
24 - шестерня коленчатого вала (малая);
25 - шестерня коленчатого вала (большая)
