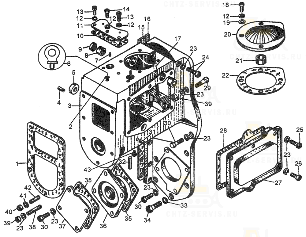
| # | Номенклатурный номер | Наименование детали | Кол-во |
| 1 | 40748 Прокладка | 1 | |
| 2 | 3197-02 Шайба | 1 | |
| 3 | 51-06-22 Корпус регулятора | 1 | |
| 4 | 700-32-2191 Штифт | 1 | |
| 5 | - | Манжета 1.2-15x30-1 | 1 |
| 6 | 51-06-43 Рым-болт | 1 | |
| 7 | 700-32-2182 Штифт | 2 | |
| 8 | - | Подшипник 941/15 | 2 |
| 9 | 06305 Заглушка | 1 | |
| 10 | 40962 Прокладка | 1 | |
| 11 | 06310СП Крышка 1 | 1 | |
| 11 | 06311 Крышка | 1 | |
| 12 | - | Шайба 8Т 65Г 09 | 7 |
| 13 | 28473 Болт | 2 | |
| 14 | - | Болт М8х20.58.019 | 1 |
| 15 | 06577 Прокладка | 3 | |
| 16 | 46170 Прокладка | 1 | |
| 17 | 06306 Трубка | 1 | |
| 18 | - | Болт М8х20.58.019 | 1 |
| 19 | 31386-1 Шайба | 4 | |
| 20 | 06307СП Крышка 2 | 1 | |
| 20 | 06308-2 Крышка 2 | 1 | |
| 21 | 06309 Втулка 2 | 1 | |
| 22 | 40961 Прокладка | 1 | |
| 23 | - | Шайба 10 ОТ 65Г 09 | 6 |
| 24 | - | Болт М10-6gх170.58.019 | 1 |
| 25 | 700-28-2455 Болт | 2 | |
| 26 | - | Болт М10х20.58.019 | 4 |
| 27 | 06312-2 Крышка | 1 | |
| 28 | 40963-1 Прокладка | 2 | |
| 29 | - | Болт М10х40.58.019 | 1 |
| 30 | - | Болт М10х30.58.019 | 12 |
| 31 | 700-32-2192 Штифт | 1 | |
| 32 | 700-32-2200 Штифт | 1 | |
| 33 | - | Шайба 12 ОТ 65Г 09 | 1 |
| 34 | 28579 Болт | 1 | |
| 35 | 700-40-2631 Прокладка | 2 | |
| 36 | 50-26-830-1 Плита | 1 | |
| 37 | 51-06-3 Крышка | 1 | |
| 38 | 700-29-2194 Шпилька | 3 | |
| 39 | - | Гайка М10.6.019 | 3 |
| 40 | 3084 Гайка | 6 | |
| 41 | 353-07-1 Шайба | 1 | |
| 42 | 700-29-2463 Шпилька | 7 | |
| 43 | 379 | Пробка | 1 |
| 1 Заказывать комплектно 06310СП Крышка. 2 Заказывать комплектно 06307СП Крышка. | |||
