| # | Номенклатурный номер | Наименование детали | Кол-во |
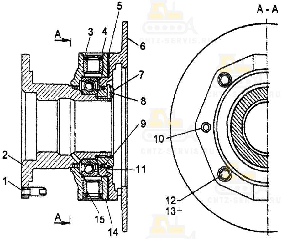
| - | 18-14-133СП Муфта включения | 1 | |
| 1 | 18-14-30 Палец | 3 | |
| 2 | 50-14-39 Ползун | 1 | |
| 3 | 18-14-33 Заглушка | 2 | |
| 4 | 710-14-126 Сальник | 2 | |
| 5 | 700-40-5260 Прокладка | 1 | |
| 5 | 700-40-5260-1 Прокладка | 1 | |
| 6 | 18-14-124 Крышка | 1 | |
| 7 | 50-14-4 Втулка | 1 | |
| 8 | 18-14-89 Кольцо | 1 | |
| 9 | 50-14-15 Кольцо | 4 | |
| 10 | 32349 Штифт | 2 | |
| 11 | - | Подшипник 118 | 1 |
| 12 | - | Болт М10×25.46.019 | 4 |
| 13 | - | Шайба 10 ОТ 65Г 09 | 4 |
| 14 | 50-14-38 Корпус подшипника | 1 | |
| 15 | 14355 Втулка | 2 | |
