На тракторе Т-170.00 с передаточным числом бортовых редукторов i=9,94 применяется коробка передач 50-12-7СП.
На тракторе Т-170.01 с передаточным числом бортовых редукторов i=14,79 устанавливается коробка передач 50-12-8СП, имеющая следующие отличия от коробки передач 50-12-7СП:
- на верхнем валу вместо шестерни 1 ( рис. 199 ) 18-12-320 (с числом зубьев z—26) установлена шестерня 4 ( см. рис. 207 ) 50-12-642 (z=28);
- на первом промежуточном валу вместо шестерни 2 ( см. рис. 199 ) 50-12-587 {z—23) установлена втулка 3 ( см. рис. 208 ) 50-12-590;
- на втором промежуточном валу вместо втулки 3 ( см. рис. 199 ) 50-12-588 и шестерни 4 ( 18-12-155 (z=27) ) установлена соответственно шестерня 5 ( рис. 209 ) 18-12-153 (z=19) и шестерня 3 ( 50-12-643 (z = 24) )
В остальном разделы по разборке, сборке, регулировке и т. д. относятся к коробкам передач тракторов Т-170.00 и Т-170.01.
Снятие коробки передач Т-170
Отключите аккумуляторные батареи и выньте их из ящика. Слейте топливо из бака. Закройте топливный кран на топливном баке. Слейте масло из коробки передач. Снимите сиденье 50-23-200сп в сборе с основанием, передние панели пола, аккумуляторный ящик с задней панелью пола. Отсоедините от кабины штепсельные разъемы и провода. Отсоедините топливную трубку от крана топливного бака и сливную трубку от форсунок. Отверните четырнадцать болтов крепления обоих крыльев к лонжеронам.
Застропите кабину грузоподъемным приспособлением ( рис. 200 ) и снимите ее вместе с крыльями и топливным баком (масса комплекта 600 кг).
Если нет подъемных средств достаточной грузоподъемности, снимите только кабину (масса кабины 310 кг) и панели пола.
Отсоедините и снимите тяги тормоза и тяги блокировки. Выверните штуцеры и снимите трубы подвода и отвода масла сервомеханизма муфты сцепления. Снимите механизм управления муфтой сцепления и горным тормозом.
Снимите механизм управления поворотом, масляные трубки коробки передач и фильтр очистки масла. Снимите тормозок, фланец с нажимным диском и муфтой включения муфты сцепления, застропите коробку (масса коробки 471 кг) приспособлением ( рис. 201 ) и, подвесив ее на подъемнике, отверните гайки крепления коробки к корпусу бортовых фрикционов.
Сдвиньте коробку ломиком вперед до схода ее со шпилек и установочного штифта. Выведите из окна корпуса бортовых фрикционов конец верхнего вала и снимите коробку передач с трактора.
Разборка коробки передач Т-170
Установите коробку передач в приспособление для разборки ( рис. 202 ) передней крышкой вверх и закрепите. Отверните восемь болтов и снимите масляный насос с маслоприемником. Поверните в приспособлении коробку передач на 90°.
Отверните гайки крепления крышек 5 и 18 ( рис. 203 ). Вверните отжимные болты М10 в резьбовые отверстия фланцев крышек и снимите механизмы переключения скоростей. Снимите пружины 16 и выньте фиксаторы 17 механизма блокировки. Выверните два болта и снимите штуцер подвода масла к втулкам верхнего вала.
Расстопорите и отверните гайки стопоров и клиньев 34 ( рис. 204 ) крепления хвостовиков 24 и вилок 25 на валиках. Отверните болты крепления крышек 30 валиков 26 и снимите их вместе с прокладками. Выньте поочередно валики из отверстий корпуса коробки передач, вилок и хвостовиков, одновременно освободив хвостовики и вилки.
Поверните коробку передач передней крышкой вверх. Обратите внимание на наличие одинаковых номеров на крышке 3 ( рис. 205 ) и корпусе 1, которые наносятся при изготовлении, чтобы при сборке не раскомплектовать эти детали.
Отверните восемь болтов крепления крышки 3 к корпусу 1. Снимите крышку вместе с валами со штифтов 2 с помощью трех отжимных болтов Ml6X2, завернув их в резьбовые отверстия крышки. Выверните отжимные болты и вместо них заверните три рым-болта.
Застропите крышку за рым-болты, снимите вместе с валами и установите на специальное приспособление ( рис. 206 ) валами вниз. Поддомкратьте валы упорами, вращая рукоятки 8. Отверните два стопорных болта и гайку 11 ( см. рис. 205 ) с левой резьбой. Снимите фланец 13 со шпоночного соединения с помощью съемника.
Отверните гайки крепления треножек 22 ( см. рис. 203 ) и удалите их. Ослабьте болты крепления крышки 20. Удалите болты крепления крышки 16 ( см. рис. 205 ) и корпуса 10 к передней крышке 3.
Снимите крышку 16 вместе с резиновым кольцом 14. Извлеките шпонку 15 и снимите маслоотражатель 17 с верхнего вала 12. С помощью съемных болтов М12Х 1,5 снимите корпус 10 вместе с наружным кольцом роликоподшипника и шарикоподшипником, с пакетом регулировочных прокладок и резиновым кольцом. Аналогично снимите крышки 3, 21, 23 ( см. рис. 203 ).
Расстопорите и отверните . гайки 5, 7, 8 ( см. рис. 205), снимите корпуса 4, 6,9 вместе с наружными кольцами роликовых подшипников и шариковыми подшипниками. Выньте из корпусов 4, 6, 9 и 10 шарикоподшипники и выпрессуйте наружные кольца роликоподшипников. При снятии корпусов свяжите пакеты регулировочных прокладок для того, чтобы при сборке поставить их на прежние места.
Застропите и снимите переднюю крышку 3 коробки передач. Застропите поочередно валы и уберите их с приспособления для дальнейшей разборки.
Разборка верхнего вала
Установите вал 1 ( рис. 207 ) в приспособление поверхностью со шпоночным пазом вниз. Расстопорите гайку 16 и снимите ее вместе со стопорной шайбой 17. Снимите съемником шестерню 13 привода масляного насоса вместе с внутренним кольцом роликового подшипника 15, пакетом регулировочных прокладок 18 (свяжите их), втулками 14 и 19.
Снимите последовательно хомут 12 с пружиной 11, втулку 10, шестерню 9, чугунную втулку 21, муфту 8 с внутренними зубьями и муфту 22 с наружной нарезкой зубьев, шестерню 7, чугунную втулку 24 и кольцо 3. Переверните вал, снимите съемником роликовый подшипник 2.
Разборка первого промежуточного вала
Установите вал 16 (рис. 208) в приспособление гайкой 11 вверх. Расстопорите гайку 11 и отверните ее. Снимите стопорную шайбу 10. Спрессуйте внутреннее кольцо, роликоподшипника 9. Снимите кольцо 12. Спрессуйте шестерню 7 в сборе с подшипниками. Снимите стопорные кольца 5 и 8, выньте подшипники 13, проставку 6. Снимите последовательно кольцо 14, шестерни 4, 3, 2 и втулку 15. Переверните вал, снимите съемником внутреннее кольцо роликоподшипника 1.
Разборка второго промежуточного вала
Установите вал 1 ( рис. 209 ) в приспособление шпоночным пазом вверх. Снимите съемником роликовый подшипник 2, пакет регулировочных прокладок 12 (свяжите их). Снимите последовательно шестерни 3, 4, втулку 5, шестерни 6 и 7, втулку 11 и шестерню 8. Переверните вал. Снимите замковое кольцо 10 и спрессуйте внутреннее кольцо роликоподшипника Р.
Разборка нижнего вала
Установите вал 1 ( рис. 210 ) в приспособление конической шестерней вниз. Снимите съемником роликовый подшипник 2, пакет регулировочных прокладок 22 (свяжите их). Снимите последовательно втулку 3, кольцо 21, шестерню 19, втулку 4, муфту 6, муфту 5, шестерню 7, втулку 8, проставку 9, шестерню 10, втулку 11, муфту 17, муфту 12, шестерню 13, втулку 16, втулку 14. Снимите съемником внутреннее кольцо роликового подшипника 15.
Разборка корпуса коробки передач
Снимите крышки 19 ( см. рис. 203 ). Нарежьте резьбу М10 в заглушке 19 ( см. рис. 205 ) и выпрессуйте ее с помощью болта. Выньте с помощью болта Мб стопор 20 наружного кольца подшипника 22 и выпрессуйте кольцо из отверстия корпуса 1. Удалите аналогично другие стопоры. Выньте стопорное кольцо 27 из выточки корпуса. Снимите крышку 25 с кольцом 23. Снимите съемником наружные кольца роликовых подшипников 24, 28, 30. При необходимости снимите резиновое уплотнение 21.
Разборка механизма переключения коробки передач
Отверните рукоятку 12 ( см. рис. 204 ) рычага И, расшплинтуйте и снимите крышку 13, колпачок 10, крышку 14 шарового фланца, кольцо уплотнительное 9. Выверните четыре болта крепления шарового фланца 15 и снимите фланец. Снимите внутренний фланец 8, выньте рычаг 11 и снимите второй внутренний фланец 7, прокладки, кольцо 6 и две пружины 17.
Отверните гайки крепления крышки 4 лючка проставки 3 и снимите крышку с прокладкой. Расстопорите болты 5 и отверните их. Расстопорите пробки 5 ( рис. 211 ), выверните их из проставки 1 и снимите вместе со стопорной шайбой 4 и прокладкой. Выньте валик 19 ( см. рис. 204 ) из отверстий в проставке 3 и рычаге 20, ослабив крепление рычага на валике.
Правый механизм переключения отличается от левого тем, что на нем установлен включатель ВК-403 блокировки пуска пускового двигателя с механизмом переключения ( см. рис. 211 ).
Включатель 3 ввернут в корпус механизма переключения.
Разборка корпуса валика фиксаторов
Расшплинтуйте и снимите наконечник 8 ( см. рис. 203 ) рычага 7. Отверните гайку стопора 9 рычага валика фиксаторов, снимите пружинную шайбу и выбейте стопор. Снимите рычаг 7 с валика 13 фиксаторов. Отверните болты крепления корпуса 12 и снимите его вместе с валиком 13, упорной планкой И, направляющей плитой 10 и регулировочными прокладками.
Выньте валик 13 из отверстия корпуса 12. Выбейте, при необходимости, заглушку 14 и сальник 6.
Технические требования коробки передач
- Внутренние и наружные кольца цилиндрических роликоподшипников должны быть одной группы или одного порядкового номера. Разукомплектовка подшипников не допускается.
- Передняя крышка и корпус коробки передач обрабатываются в сборе, клеймятся одинаковыми порядковыми номерами на верхних плоскостях и не должны раскомплектовываться.
- Роликоподшипники и шарикоподшипники перед установкой на валы должны быть нагреты до температуры 343...383 К (70...110°С). Время выдержки при нагреве не менее 15 мин. Перед сборкой трущиеся поверхности подшипников, гладкие отверстия шестерен и наружные поверхности втулок подшипников скольжения смажьте трансмиссионным маслом.
- Нижний вал комплектуется с конической шестерней главной передачи. Разукомплектовка этой конической пары не допускается.
- Перемещение рычагов переключения передач из нейтрального положения левого — вправо, правого — влево до отказа должно происходить с плавно возрастающим усилием упругого сопротивления пружин.
- Перемещение валиков с вилками должно быть свободным с четкой фиксацией нейтрального и рабочих положений.
- Поворот рычагов валиков фиксаторов должен быть свободным, без заеданий при нейтральном положении рычага переключения передач и в положениях, соответствующих полному включению какой-либо передачи.
- При заблокированных фиксаторах перемещение валиков не допускается.
- При перемещении валика с вилкой из нейтрального положения в рабочее второй валик должен надежно стопориться шариковым замком в нейтральном положении.
- Шпильки должны быть установлены на железном густотертом сурике.
- Нормальный зазор между отверстием в шестернях и наружной поверхностью втулок должен быть 0,120,...0,210 мм. Допустимый зазор 0,3 мм.
- Нормальный боковой зазор между шлицами верхнего вала и втулками шестерен должен быть 0,146...0,424 мм. Допустимый зазор 1,0 мм.
- Коробка передач поступает в запасные части . в комплекте с конической шестерней. При замене коробки на тракторе одновременно замените коническую шестерню главной передачи. Порядковый номер конической шестерни маркируется на корпусе КП.
Сборка коробки передач Т-170
Сборка верхнего вала
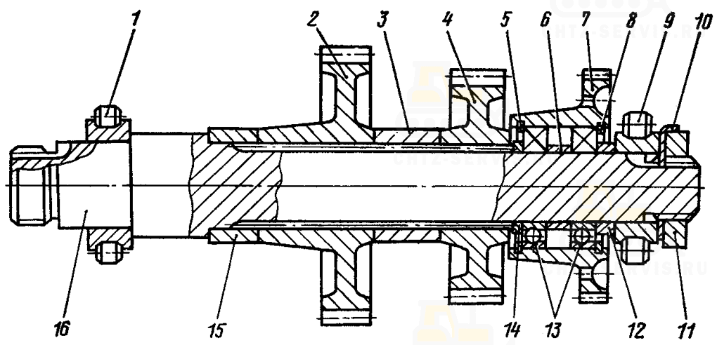
Установите вал 1 ( см. рис. 207 ) в приспособление поверхностью со шпоночным пазом вверх. Нагрейте роликоподшипник 2 (внутреннее кольцо) и установите на вал до упора в бурт. Переверните вал Установите на вал кольцо 3. Запрессуйте направляющий штифт 20 до упора в глухое отверстие впадины шлицев для удобства и правильности совмещения пазов со снятым шлицем в муфтах и втулках с каналом подвода смазки в хомуте.
Установите на вал втулку 24, шестерню 4 заднего хода, муфту 5, муфту 23, втулку 6, шестерню 7 нормального диапазона, муфту 22, муфту 8, втулку 21, шестерню 9 ускоренной передачи, втулку 10.
Установите хомут 12 подвода смазки с пружиной 11 на вал 1 лыской в сторону нижнего вала (для машин первого выпуска). Установите шестерню 13 привода масляного насоса, втулку 14 и втулку 19. Сдвиньте до упора шестерни и втулки и установите пакет регулировочных прокладок 18 так, чтобы обеспечить зазор А = 0,05...0,3 мм между втулкой 19 и роликоподшипником 15. Прокладки толщиной 2,0 мм установите с двух сторон пакета. Нагрейте роликоподшипник 15 и установите на вал. Наденьте стопорную шайбу 17., Собранный вал затяните гайкой 16. Момент затяжки гайки 450... 550 Н• м (45...55 кгс м). Отогните шайбу 17 на грань гайки. У собранного вала шестерни должны свободно вращаться на втулках, муфты должны перемещаться без заеданий.
Сборка первого промежуточного вала
Установите вал 16 ( см. рис. 208 ) в приспособление цилиндрической поверхностью большого диаметра вверх, нагрейте роликоподшипник 1 и установите его на вал. Переверните вал и установите на него детали: втулку 15, шестерни 2, 3, 4, кольцо 14.
Установите стопорное кольцо 5 в выточку шестерни 7 и установите подшипник 13. Наденьте шестерню с подшипником на вал. Запрессуйте подшипник до упора в кольцо 14. Установите проставку 6, напрессуйте второй подшипник 13 и установите стопорное кольцо 8. Наденьте кольцо 12. Нагрейте роликоподшипник 9 и установите на вал. Установите стопорную шайбу 10, заверните гайку 11 обработанным торцом к шайбе и застопорите ее. Момент затяжки гайки 450...550 Н-м (45...55 кгс-м).
Сборка второго промежуточного вала
Установите вал 1 ( см. рис. 209 ) в приспособление концом с резьбой вниз, нагрейте роликоподшипник 9 и установите на вал. Наденьте стопорное кольцо 10. Переверните вал и установите на него: шестерню 8, втулку 11, шестерню 7, шестерню 6, втулку 5, шестерню 4, шестерню 3.
Сдвиньте до упора шестерни и втулки, установите пакет регулировочных прокладок 12, обеспечив зазор А = 0,05...0,3 мм между торцом шестерни 3 и торцом внутреннего кольца роликоподшипника 2. Прокладки толщиной 2,0 мм установите с двух сторон пакета. Нагрейте подшипник 2 и установите на вал.
Сборка нижнего вала
Установите вал 1 вертикально в приспособление конической шестерней вниз. Установите на вал внутреннее кольцо роликоподшипника 15 до упора в бурт и втулку 14. Запрессуйте направляющие штифты 18 ( см. рис. 210 ) и 20 до упора в глухие отверстия впадины шлицев нижнего вала. Штифты устанавливаются для удобства и правильности совмещения пазов со снятым шлицом в муфтах и втулках с отверстиями подвода смазки в нижнем валу. Установите на вал втулку 16, шестерню 13 второй передачи, муфту 12, муфту 17, втулку 11, шестерню 10 первой передачи, проставку 9, втулку 8, шестерню 7 третьей передачи, муфту 5, муфту 6, втулку 4, шестерню 19 четвертой передачи, кольцо 21 и втулку 3.
Установите пакет регулировочных прокладок 22 так, чтобы обеспечить зазор А = 0,05...0,3 мм между торцами втулки 3 и кольца роликоподшипника 2.
Прокладки толщиной 2,0 мм ставьте с двух Сторон пакета. Нагрейте роликоподшипник 2 и установите на вал.
У собранного вала шестерни должны свободно вращаться на втулках, а муфты свободно переключаться. Нижний вал устанавливайте комплектно с проверенной по зацеплению зубьев конической шестерней главной передачи. Раскомплектовка этой конической пары не допускается. Номер большой конической шестерни выбит на корпусе коробки передач.
Сборка валов с передней крышкой
Установите верхний вал 4 ( см. рис. 206 ) коробки передач в приспособление так, чтобы расстояние от торца зубьев шестерни 7 ( см. рис. 207 ) до плоскости А приспособления (передней крышки) было (126±0,06) мм. Размер (126±0,06) мм установите с помощью шаблона.. Указанный размер обеспечивает в собранной коробке передач расстояние А=(126±0,5) мм ( см. рис. 205 ) от торца шестерни 7 ( см. рис. 207 ) до внутреннего торца передней крышки.
Установите первый промежуточный вал 2 ( см. рис. 206 ) в приспособление так, чтобы выступание торцов зубьев шестерни 7 ( см. рис. 207 ) верхнего вала по отношению к торцам зубьев шестерни 2 ( см. рис. 218 ) первого промежуточного вала было (2±0,5) мм. Устанавливайте валы в приспособление на указанные размеры вращением рукояток 8 ( см. рис. 206 ).
Установите второй промежуточный вал 5 в приспособление так, чтобы зазор между торцами шестерни 2 ( см. рис. 208 ) первого промежуточного вала и шестерни 6 ( см. рис. 209 ) второго промежуточного вала был в пределах (4±0,5) мм. Установите нижний вал 6 ( см. рис. 206 ) в приспособление.
Застропите и установите переднюю крышку 3 коробки передач на штифты 1 и плоскость приспособления. Прижмите крышку прижимами 7.
Установите, предварительно, пакет Е ( см. рис. 205 ) разрезных регулировочных прокладок на фланец корпуса 10 подшипников верхнего вала. Диаметрально расположенные разрезные прокладки должны быть одинаковой толщины.
Наденьте кольцо 33, уплотнительное резиновое кольцо 32 на корпус 10 подшипников и установите корпус в крышку коробки передач. Запрессуйте наружное кольцо роликоподшипника до упора в бурт корпуса.
Нагрейте шарикоподшипник и напрессуйте на вал 12 до упора в роликоподшипник номером на кольце вверх. Установите маслоотражатель 17 и шпонку 15 на вал. Смажьте прокладку лаком «Герметик» с двух сторон и установите на фланец корпуса подшипника.
Установите крышку 16 и закрепите ее вместе с корпусом подшипников болтами с пружинными шайбами. Нагрейте фланец 13 до температуры 523...543 К (250...270 °С) и напрессуйте на вал. Наверните гайку 11 с левой резьбой на вал до упора во фланец 13, вверните два стопорных болта с пружинными шайбами. Проверьте, нет ли задевания маслосгонной резьбы за крышку подшипников, проворачивая верхний вал.
Проверьте размер А = (126±0,5) мм, при необходимости поставьте или уберите регулировочные прокладки Е под фланец корпуса подшипников для обеспечения указанного размера. Установите пакет М разрезных регулировочных прокладок на фланец корпуса 9 подшипников.
Наденьте кольцо 33, уплотнительное резиновое кольцо 32 на корпус 9 подшипников и установите корпус в крышку коробки передач. Запрессуйте наружное кольцо роликоподшипника до упора в бурт корпуса номером на кольце вверх. Нагрейте шарикоподшипник и напрессуйте на вал 26 до упора в роликоподшипник номером на кольце вверх. Установите стопорную шайбу внутренним усиком в шпоночный паз вала, наверните гайку 8 обработанным торцом к шайбе и отогните концы шайбы на грани гайки. Смажьте прокладку лаком «Герметик» с двух сторон и установите на фланец корпуса подшипников. Установите крышку и закрепите вместе с корпусом подшипников болтами с пружинными шайбами. Проверьте размер (2±0,5) мм и, при необходимости, добавьте или уберите прокладки в пакете М.
Установите пакет К разрезных регулировочных прокладок на фланец корпуса 6 подшипников.
Наденьте кольцо 33, уплотнительное резиновое кольцо 32 на корпус 6 подшипников и установите корпус в крышку коробки передач. Запрессуйте наружное кольцо. роликоподшипника в корпус 6 до упора в бурт корпуса номером на кольце вверх. Нагрейте шарикоподшипник в масляной ванне и напрессуйте на вал 29 до упора в роликоподшипник номером на кольце вверх.
Установите стопорную шайбу внутренним усиком в шпоночный паз вала, наверните гайку 7 обработанным торцом к шайбе и отогните концы шайбы на грань гайки. Смажьте прокладку лаком «Герметик» с двух сторон и установите на фланец корпуса 6. Установите крышку на прокладку и закрепите вместе с корпусом подшипников болтами с пружинными шайбами.
Проверьте размеры (4±0,5) мм и, при необходимости, добавьте или убавьте количество прокладок в пакете К.
В коробках передач на тракторах последнего выпуска пакеты разрезных регулировочных прокладок Е, М и К не применяются. Размеры между торцами шестерен валов обеспечиваются конструктивно.
Установите пакет Т разрезных регулировочных прокладок на фланец корпуса подшипников нижнего вала 31.
Наденьте кольцо 33, уплотнительное резиновое кольцо 32 на корпус 4 и установите его в крышку 3 коробки передач. Запрессуйте наружное кольцо роликоподшипника до упора в бурт корпуса подшипников. Нагрейте шарикоподшипник в масляной ванне и напрессуйте на вал до упора в роликоподшипник номером на кольце вверх. Установите шайбу внутренним усиком в шпоночный паз, наверните гайку 5 обработанным торцом к шайбе и отогните концы шайбы на грань гайки. Вращение валов должно быть свободным, без заеданий. Толщина пакета 7 прокладок окончательно устанавливается при регулировании размера С= (83,9±0,1) мм ( см. рис. 205 ).
Сборка корпуса коробки передач
Установите корпус 1 коробки передач на подставку или на деревянный настил. Смажьте посадочные места под роликоподшипники в корпусе коробки трансмиссионным маслом. Установите наружные кольца роликоподшипников 22, 24 , 28, 30 в отверстия корпуса, расположив гнезда под стопоры против отверстий в корпусе. Установите стопор 20 в отверстие корпуса коробки передач так, чтобы он вошел в гнездо подшипника 22.
При установке стопора не прилагайте больших усилий, чтобы не деформировать стопором наружное кольцо роликоподшипника.
Запрессуйте заглушку 19 в отверстие до упора в гнездо корпуса. Упор заглушки в стопор не допускается. Запрессуйте аналогично стопоры подшипников остальных валов. Наденьте уплотнительное кольцо 23 на крышку 25 и установите ее в корпус коробки передач. Установите кольцо 27 в канавку корпуса. Запрессуйте в корпус 1 ( см. рис. 203 ) штифты 2 и 4.
Вверните шпильки, уложите прокладку, смазанную лаком «Герметик» с двух сторон, и установите крышку 25 (если она снималась), закрепив ее гайками с шайбами. Наденьте на магнитную пробку 24 медно-асбестовое и резиновое кольцо. Вверните пробку в отверстие крышки 25. Запрессуйте в корпус 1 ( см. рис. 204 ) втулку 22 с шариками 21 в сборе.
Сборка передней крышки с корпусом коробки передач
Установите корпус коробки передач на приспособление ( см. рис. 202 ) привалочной плоскостью вниз и закрепите.
Смажьте с двух сторон прокладку лаком «Герметик» и установите на фланец корпуса. Установите крышку 3 ( см. рис. 205 ) в сборе с валами в корпус так, чтобы штифты 2 корпуса 1 вошли в отверстия крышки 3. Вставьте пружину 18 хомута верхнего вала в отверстие корпуса. Корпус 1 и крышка 3 должны иметь одинаковый номер.
Закрепите крышку 3 на корпусе болтами с шайбами. Проверьте вручную вращение валов. Вращение валов должно быть свободным, без заеданий. Проверьте, есть ли зазоры в зацеплениях шестерен. Зацепление зубьев любой пары шестерен без зазора не допускается. Поверните КП в приспособлении и выставьте нижний вал 31 на размер С= (83,9±0,1) мм между торцом вала и плоскостью корпуса коробки передач с помощью разрезных прокладок Т, устанавливаемых под фланец корпуса 4. Размер замеряйте при сдвинутом вале во внутрь коробки передач. При неправильной установке конической шестерни возможно разрушение конической пары в эксплуатации.
Смажьте прокладку лаком «Герметик» и установите на корпус 4 подшипника. Вверните штуцер подвода смазки в крышку 21 ( см. рис. 203 ). Установите крышку 21 с ввернутым штуцером на прокладку и, перемещая в пределах зазора между болтами и отверстиями, найдите такое положение, когда при вращении нижнего вала штуцер не задевает за нижний вал. В этом положении крышку закрепите болтами. Вверните две шпильки в отверстия передней крышки. Наденьте на шпильки треножки 22 и закрепите гайками.
Установка валиков переключения передач, вилок и хвостовиков
Поверните корпус 1 ( см. рис. 204 ) коробки передач так, чтобы люки под механизмы Переключения были обращены вверх. Установите вилку 29 в кольцевую канавку муфты включения верхнего вала 32. Установите валик 28 в корпус, пропустив его через отверстия вилки 29, и установите на него хвостовик 27.
Установите вторую втулку 25 в кольцевую канавку муфты включения верхнего вала, второй валик 26 в корпус, пропустив его через отверстие вилки 25, на валик — хвостовик 24. Закрепите хвостовики на лысках валиков стопорами.
Закрепите клиньями 34 на лысках валиков вилки 25 и 29 при центральном расположении наружной зубчатой муфты (свисание наружной зубчатой муфты над внутренней не допускается) в нейтральном положении валика 26 (фиксаторы 31 установлены в средний паз на валиках) и законтрите гайки стопорной пластиной. Размер В ( см. рис. 205 ) должен быть равен (21,5±0,8) мм. Проверьте вручную перемещение валиков в корпусе. Перемещение валиков должно быть свободным. При перемещении одного валика другой должен надежно стопориться шариковым замком.
Запрессуйте заглушку 23 ( см. рис. 204 ). Установите крышки 30, закрывающие торцы валиков переключения передач, выдержав с помощью регулировочных прокладок зазор А=0,3 мм между крышкой и торцами валиков во включенном положении. Отсутствие зазора не обеспечивает включение передач. При недостаточном зазоре или превышающем указанную величину происходит самопроизвольное включение передач под нагрузкой. Аналогично установите вилки и валики для нижнего вала 33. Установите штуцер подвода смазки к верхнему валу. Установите масляный насос, если он снимался.
Сборка левого механизма переключения передач
Установите проставку 3 ( см. рис. 204 ) в сборе с крышкой 2 на стол. Введите валик 19 в отверстия проставки 3 и отверстие рычага 20. В глухие отверстия проставки вставьте пружины 17, длинную пружину установите с внешней стороны коробки передач. Уложите кольцо 6, прокладки и внутренний фланец 7. Запрессуйте палец 16 в рычаг 11.
Установите рычаг 11 во внутренний фланец 7 и глухое отверстие рычага 20. Наденьте прокладку и второй внутренний фланец 8. Установите на прокладку наружный фланец 15 и закрепите болтами с шайбами. Установите уплотнительное кольцо 9, крышку 14 шарового фланца 15, колпачок 13 и зашплинтуйте.
Наверните на конец рычага И рукоятку 12. Сборка правого механизма переключения аналогична сборке левого за исключением установки включателя ВК-403. Последовательность установки включателя: установите в выточку резьбового отверстия ( см. рис. 211 ) резиновое кольцо 7, замковую пластину 2, регулировочные прокладки Р (не более восьми штук), отрегулируйте ими зазор 0,3...0,5 мм между торцом включателя и цилиндрической поверхностью валика 6. Заверните включатель до упора и застопорите его пластиной.
Поставьте механизм переключения проставкой на штифты крышки и прокладку, смазанную лаком «Герметик», закрепите болтами с шайбами.
Сборка корпуса фиксаторов с валиком
Вставьте валик 13 ( см. рис. 203 ) в отверстие корпуса 12. Наденьте сальник 6 на выступающий конец валика и .запрессуйте в корпус 12 заподлицо с торцом корпуса. Наденьте рычаг 7 на конец валика и совместите паз валика с отверстием в рычаге. Установите стопор 9 и закрепите гайкой с шайбой. При затягивании гайки, обстукивайте стопор 9 по торцу большого диаметра.
Вставьте в рычаг наконечник 8. Наденьте шайбу и зашплинтуйте. Аналогично соберите корпус фиксаторов с валиком для левого механизма переключения.
Поставьте упорную планку И, вставьте ее в выточку на валике 13 фиксаторов и установите направляющую плиту 10 с прокладками, смазав их лаком «Герметик». Закрепите корпус 12 фиксаторов к крышке болтами с пружинными шайбами. Запрессуйте заглушку 14 в отверстие корпуса 12.
Установка механизма переключения передач
Вверните в корпус 1 ( см. рис. 204 ) коробки передач шпильки и уложите прокладку, смазанную с-двух сторон лаком «Герметик». Установите по два фиксатора 31 в гнезда так, чтобы они вошли в пазы валиков при нейтральном положении, как показано на рисунке. Лыски в верхней части фиксаторов должны располагаться вперед по ходу трактора.
Установите механизмы переключения в сборе на две шпильки и два штифта корпуса К.П и заведите рычаги 20 в пазы хвостовиков. Закрепите механизм переключения гайками с пружинными шайбами. При необходимости замените уплотнение 18.
При нейтральном положении рычагов 20 с помощью приспособления 1 ( рис. 212 ) выставьте на размер (29±1) мм от торца малой бобышки проставки 2 валик 19 ( см. рис. 204 ). Закрепите через боковой люк рычаг 20 болтами 5 и законтрите их стопорной пластиной. Наденьте на пробку 5 ( см. рис. 211 ) стопорную шайбу 4, прокладку и заверните до отказа. Заверните аналогично пробки 5 в резьбовые отверстия остальных бобышек. Установите правый механизм переключения передач аналогично установке левого механизма переключения передач.
Перемещение валиков с вилками должно быть свободным, с четкой фиксацией нейтрального и рабочего положений. Поворот рычагов валиков фиксаторов должен быть свободным, при нейтральном положении рычага переключения передач и в положениях, соответствующих полному включению какой-либо передачи.
При заблокированных фиксаторах перемещение валиков переключения передач не допускается, что должно быть обеспечено регулировкой-зазора между торцом фиксатора и валиком с помощью кар-, тонных прокладок 15 ( см. рис. 203 ), установленных под корпус валика фиксаторов. Приклейте клеем 88НП кольцо 21 ( см. рис. 205 ) в выточку фланца корпуса коробки. Наружная торцовая поверхность кольца должна быть чистой от клея.
Обкатка и испытание коробки передач Т-170
Установите коробку передач на стенд, залейте в корпус 25 л трансмиссионного тракторного масла (см. инструкцию по эксплуатации). Обкатку производите без нагрузки по две минуты на каждой передаче, начиная с низшей. Частота вращения верхнего вала коробки передач должна быть 500...800 мин-1.
В процессе обкатки проверьте переключения муфт на всех передачах переднего и заднего хода. Переключение должно происходить свободно, без заеданий. При обкатке допускается незначительный шум шестерен. Отдельные удары, стуки и дробные перекаты с повышенным шумом не допускаются. Температура в коробке передач после обкатки не должна превышать температуры окружающего воздуха более чем на 50 °С, Течь масла при обкатке через уплотнения не допускается.
После обкатки снимите коробку передач со стенда, слейте масло и установите на деревянный настил. Закройте подшипники коробки пергаментной бумагой и забейте деревянные пробки в отверстия подвода и отвода смазки к нижнему валу и масляному насосу. Промойте сетку маслоприемника.
Допускается испытывать коробку передач во время испытания силовой передачи трактора. При обкатке на тракторе проверяйте работу механизма блокировки переключения передач. Коробка передач подвергается обкатке на всех передачах переднего и заднего хода.
Перемещение валиков с вилками должно быть легким, без заеданий и с четкой фиксацией нейтрального ц рабочих положений. Поворот рычагов валцков фиксаторов должен, быть свободным, без заеданий при нейтральном положении рычага переключения передач и в положениях, соответствующих полному включению какой-либо передачи.
Проверьте, есть ли давление в системе смазки трансмиссии при вращении верхнего вала коробки передач. При отсутствии давления в системе смазки на щитке приборов загорается лампочка рубинового цвета. Эксплуатация трактора при отсутствии давления в системе смазки не допускается.
Установка коробки передач Т-170
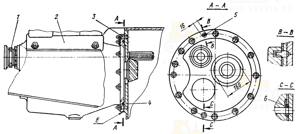
Установите в отверстие привалочной плоскости корпуса бортовых фрикционов штифт 5 ( рис. 213 ). Фрезерованные плоскости штифта должны быть перпендикулярны к прямой, соединяющей центр отверстия диаметром 160 мм с центром отверстия диаметром 16 мм под штифт 5.
Смажьте выточку на привалочной плоскости корпуса бортовых фрикционов клеем 88 НП и установите кольцо 6. Проверьте, есть ли кольцо 4 в выточке привалочной плоскости коробки передач. Заведите коробку передач между лонжеронами и установите ее на шпильки 3 и штифт 5, а выступающий конец подшипника нижнего вала коробки — в отверстие корпуса бортовых фрикционов. Закрепите коробку передач 2 на шпильках 3 , гайками с шайбами. Затягивайте гайки крестообразно, начиная с верхних шпилек.
В стыке привалочных плоскостей Е корпуса бортовых фрикционов и коробки передач зазоры не допускаются.
Смажьте кольцевую канавку клеем 88НП и установите кольцо 1. Установите муфту сцепления, механизм управления поворотом и кожух муфты сцепления. Подсоедините маслопроводы к масляному насосу КЛ, штуцерам подвода масла к верхнему и нижнему валу, отделению конических шестерен и фильтру. Установите кабину с крыльями и панели пола.
