| Поз. | Номенклатурный номер | Наименование детали | Кол. |
| - | 749-18-102СП Механизм управления | ||
| - | 749-18-103СП Механизм управления | ||
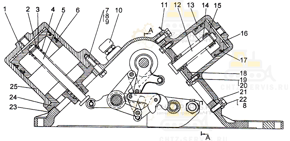
| 1 | 748-18-253 Поршень | 1 | |
| 2 | 700-58-2466 Кольцо | 1 | |
| 3 | 3193 Шайба | 1 | |
| 4 | 700-38-874 Пружина | 1 | |
| 5 | 748-18-278 Шток | 1 | |
| 6 | 748-16-22 Манжета | 1 | |
| 7 | - | Болт M12-6g×55.58.019 | 6 |
| 8 | - | Шайба 12 ОТ 65Г 09 | 24 |
| 9 | 700-31-96 Шайба | 6 | |
| 10 | 01265СП Сапун | 1 | |
| 11 | 749-18-2 Кронштейн | 1 | |
| 12 | 748-18-279 Шток | 1 | |
| 13 | 748-18-139-01 Корпус бустера 1 | 1 | |
| 13 | 748-18-140-01 Корпус бустера 2 | 1 | |
| 14 | 700-38-812 Пружина | 1 | |
| 15 | 748-18-303 Втулка | 1 | |
| 16 | 748-18-184 Поршень | 1 | |
| 17 | 748-18-125 Манжета | 2 | |
| 18 | 748-18-129СП Крышка | 1 | |
| 19 | - | Болт M10-6g×25.58.019 | 4 |
| 20 | - | Шайба 10 ОТ 65Γ 09 | 5 |
| 21 | 748-18-211 Прокладка | 1 | |
| 21 | 748-18-211-1 Прокладка 3 | 1 | |
| 22 | - | Болт M12-6g×35.58.019 | 18 |
| 23 | 748-18-205 Прокладка | 2 | |
| 23 | 748-18-205-1 Прокладка 3 | 2 | |
| 24 | 748-18-176СП Крышка 1 | 1 | |
| 24 | 748-18-177СП Крышка 2 | 1 | |
| 25 | 748-18-254 Корпус бустера 1 | 1 | |
| 25 | 748-18-255 Корпус бустера 2 | 1 | |
| 1 Входит в 749-18-102СП. 2 Входит в 749-18-103СП. 3 Заказывать для тропиков. | |||
