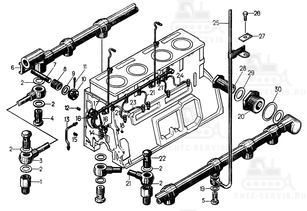
| # | Номенклатурный номер | Наименование детали | Кол-во |
| 1 | 41201 Штуцер | 6 | |
| 2 | 40911 Кольцо | 30 | |
| 3 | 411146СП Трубка | 1 | |
| 4 | 411143 Штуцер | 2 | |
| 5 | 41688 Штуцер | 2 | |
| 6 | 29-09-110СП Маслопровод главный | 1 | |
| 7 | 29321 Шпилька | 1 | |
| 8 | 38307 Пружина | 1 | |
| 9 | 31308 Шайба | 1 | |
| 10 | 700-30-2263 Гайка | 1 | |
| 11 | — | Шплинт 2,5×25 | 1 |
| 12 | 67209 Трубка | 1 | |
| 13 | 16-09-161СП Трубка | 1 | |
| 14 | 41207-1 Колено | 1 | |
| 15 | 700-32-2038 Штифт | 1 | |
| 16 | 41204-1 Колено | 2 | |
| 17 | 14-09-142СП Трубка | 1 | |
| 18 | 37102 Пробка | 1 | |
| 19 | 40912 Кольцо | 4 | |
| 20 | 09288 Штуцер | 1 | |
| 21 | 41643СП Трубка | 3 | |
| 22 | 41200 Штуцер | 10 | |
| 23 | 41645СП Трубка | 1 | |
| 24 | 41647СП Трубка | 1 | |
| 25 | 41649СП Трубка | 2 | |
| 26 | — | Болт М6×16.58.019 | 2 |
| 27 | 700-31-158 Шайба | 2 | |
| 28 | 09287 Штуцер | 1 | |
| 29 | 40910 Кольцо | 2 | |
| 30 | 40909 Кольцо | 1 | |
