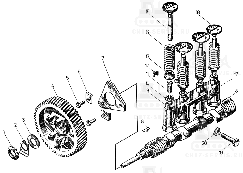
| # | Номенклатурный номер | Наименование детали | Кол-во |
| 1 | 04233 Гайка | 1 | |
| 2 | 31357 Шайба | 1 | |
| 3 | 04232 Шайба нажимная | 1 | |
| 4 | 17-04-1 Шестерня | 1 | |
| 5 | - | Болт М8Х16.58.019 | 3 |
| 6 | 31102 Пластина стопорная | 3 | |
| 7 | 04103 Шайба упорная | 1 | |
| 8 | 3429 Шпонка | 1 | |
| 9 | 04110 Толкатель клапана 1 | 4 | |
| 10 | 3083 Гайка | 4 | |
| 11 | 04112 Болт регулировочный | 4 | |
| 12 | 04119 Сухарик клапана | 8 | |
| 13 | 04118 Тарелка клапана | 4 | |
| 14 | 3868 Пружина | 4 | |
| 15 | 04234 Клапан всасывающий 1 | 2 | |
| 16 | 04235 Клапан выпускной 1 | 2 | |
| 17 | 04111 Кронштейн | 1 | |
| 18 | 04230 Валик | 1 | |
| 19 | - | Болт М10X45.58.019 | 2 |
| 20 | 3198 Шайба стопорная | 2 | |
| 1 При необходимости заказывать ремонтные комплекты (см. Перечень деталей ремонтных размеров). | |||
