| Поз. | Номенклатурный номер | Наименование детали | Кол. |
| - | 749-72-4СП Цилиндры силовые | - | |
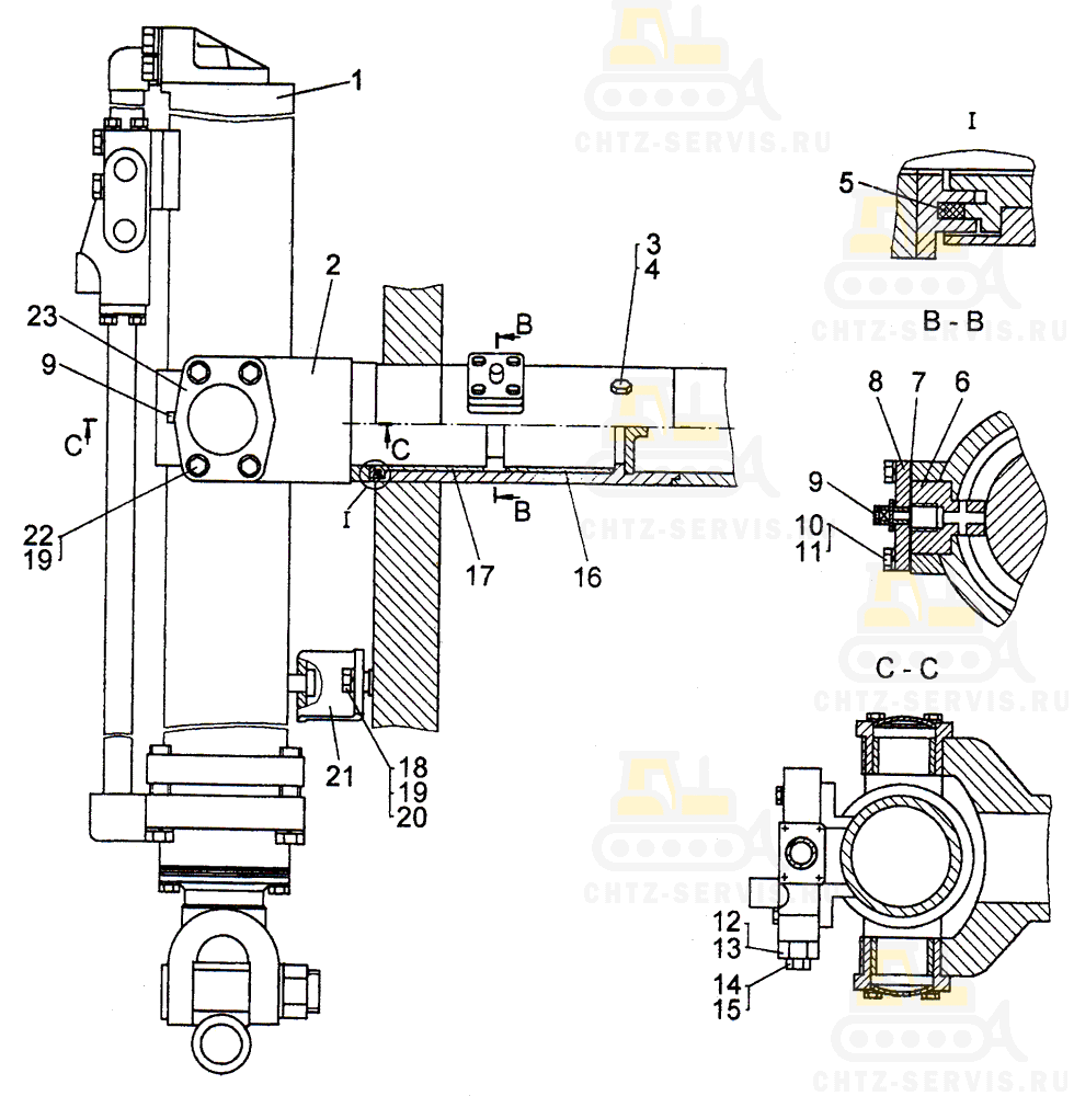
| 1 | - | Гидроцилиндр ЦΓ-140.80×1250.47 | 2 |
| 2 | 749-72-117СП Ось | 2 | |
| 3 | 749-72-363 Прокладка | 2 | |
| 4 | 700-37-314-01 Пробка | 2 | |
| 5 | 748-99-321 Кольцо СП145-135-9 | 2 | |
| 6 | 749-72-18 Стопор | 2 | |
| 7 | 749-72-98 Прокладка | 2 | |
| 8 | 749-72-240 Крышка | 2 | |
| 9 | - | Масленка 1.3.Ц6 | 6 |
| 10 | -. | Шайба 12 ОТ 65Γ 09 | 8 |
| 11 | - | Болт M12×1,25-6g×30.88.45X.019 | 8 |
| 12 | 714-72-44-01 Кольцо 032-038-36-2-3 | 4 | |
| 13 | 749-72-36 Пробка | 4 | |
| 14 | 714-22-211 Кольцо | 4 | |
| 15 | 700-37-358 Пробка | 4 | |
| 16 | 749-72-12 Втулка | 1 | |
| 17 | 748-99-553 Втулка | 1 | |
| 18 | - | Болт M16×1,5-8g×32.66.019 | 2 |
| 19 | - | Шайба 16 ОТ 65Г 09 | 18 |
| 20 | - | Шайба 16.01.019 | 2 |
| 21 | 749-72-514 Серьга | 2 | |
| 22 | - | Болт M16×1,5-6g×45.88.38XC.019 | 16 |
| 23 | 749-72-104СП Крышка | 4 | |
